LEMON Manuals: Even more car manuals for everyone: 1960-2025
Home >> Cadillac >> 2012 >> CTS Base, 2D Coupe, AWD >> Repair and Diagnosis >> Body & Frame >> Door Locks >> Keyless Entry System And Remote Functions >> Wiring Schematics >> Remote Function Wiring Schematics >> Easy Keyless Entry (ATH)
April 5, 2026: LEMON Manuals is launched! Read the announcement.

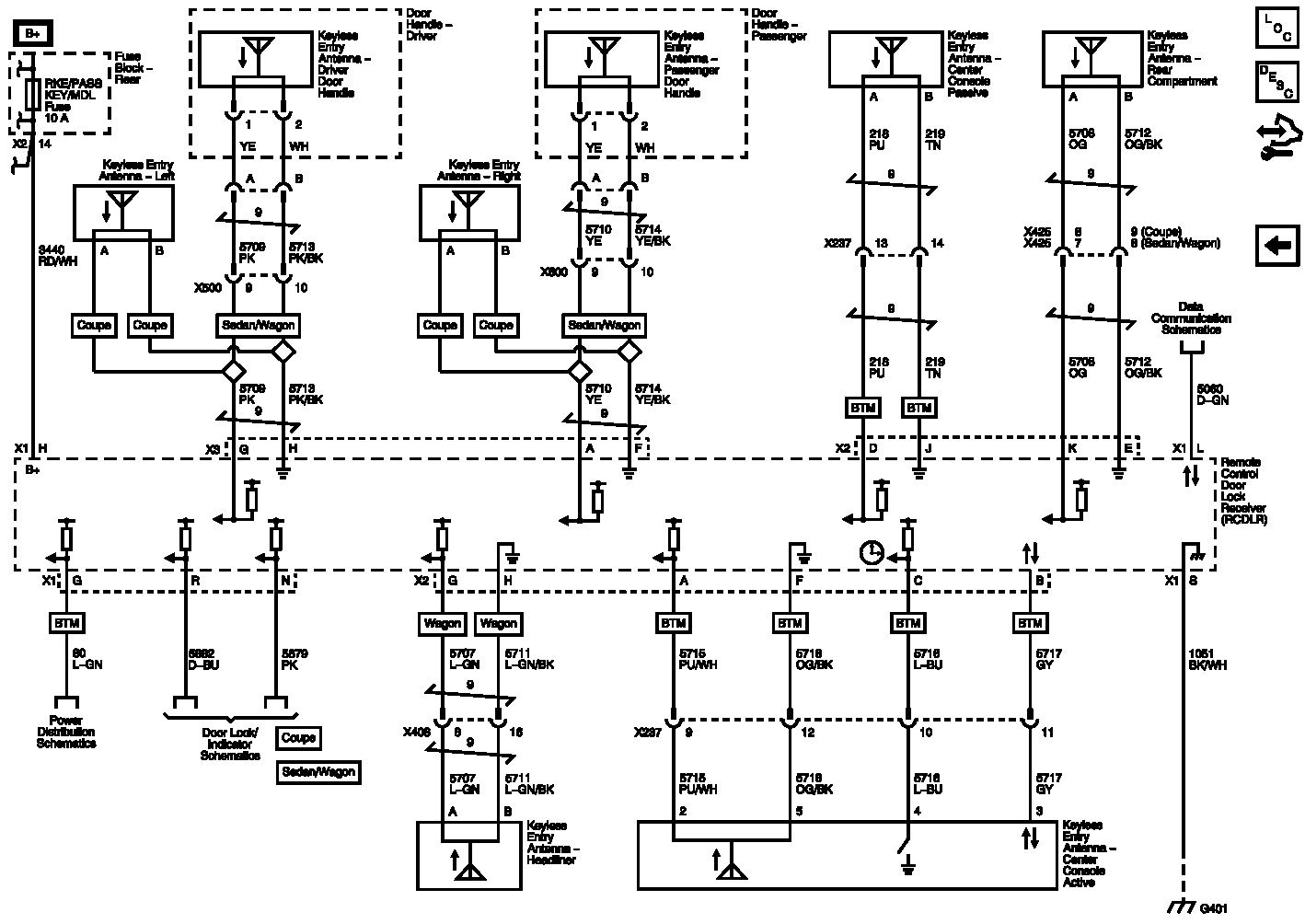
Easy Keyless Entry (ATH)

Fig 1: Easy Keyless Entry Wiring Schematic (ATH)
GM2578894Courtesy of GENERAL MOTORS COMPANY