LEMON Manuals: Even more car manuals for everyone: 1960-2025
Home >> Cadillac >> 2012 >> CTS Base, 2D Coupe, AWD >> Repair and Diagnosis >> Engine Performance >> System >> Data Communications System >> Wiring Schematics >> Data Communication Wiring Schematics >> Communications Enable
April 5, 2026: LEMON Manuals is launched! Read the announcement.

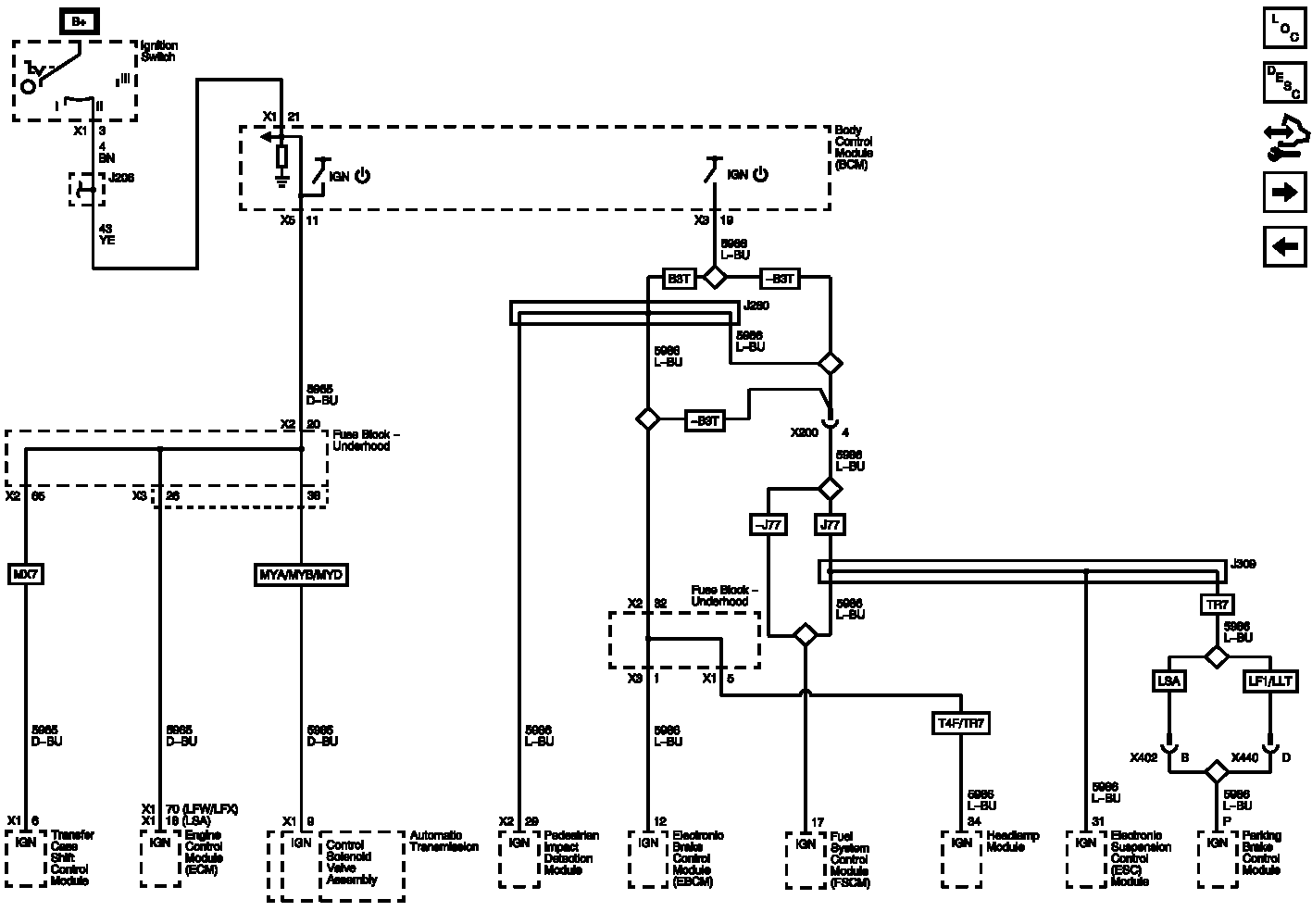
Communications Enable

Fig 1: Communications Enable Wiring Schematic
GM2578748Courtesy of GENERAL MOTORS COMPANY