LEMON Manuals: Even more car manuals for everyone: 1960-2025
Home >> Cadillac >> 2012 >> Escalade EXT >> Repair and Diagnosis (Single Page) >> Accessories & Equipment >> Anti-Theft Systems >> Power Door Lock System And Release Systems >> Schematic Wiring Diagrams >> Door Control Module Wiring Schematics >> Power, Ground, and Serial Data Wiring Schematics
April 5, 2026: LEMON Manuals is launched! Read the announcement.

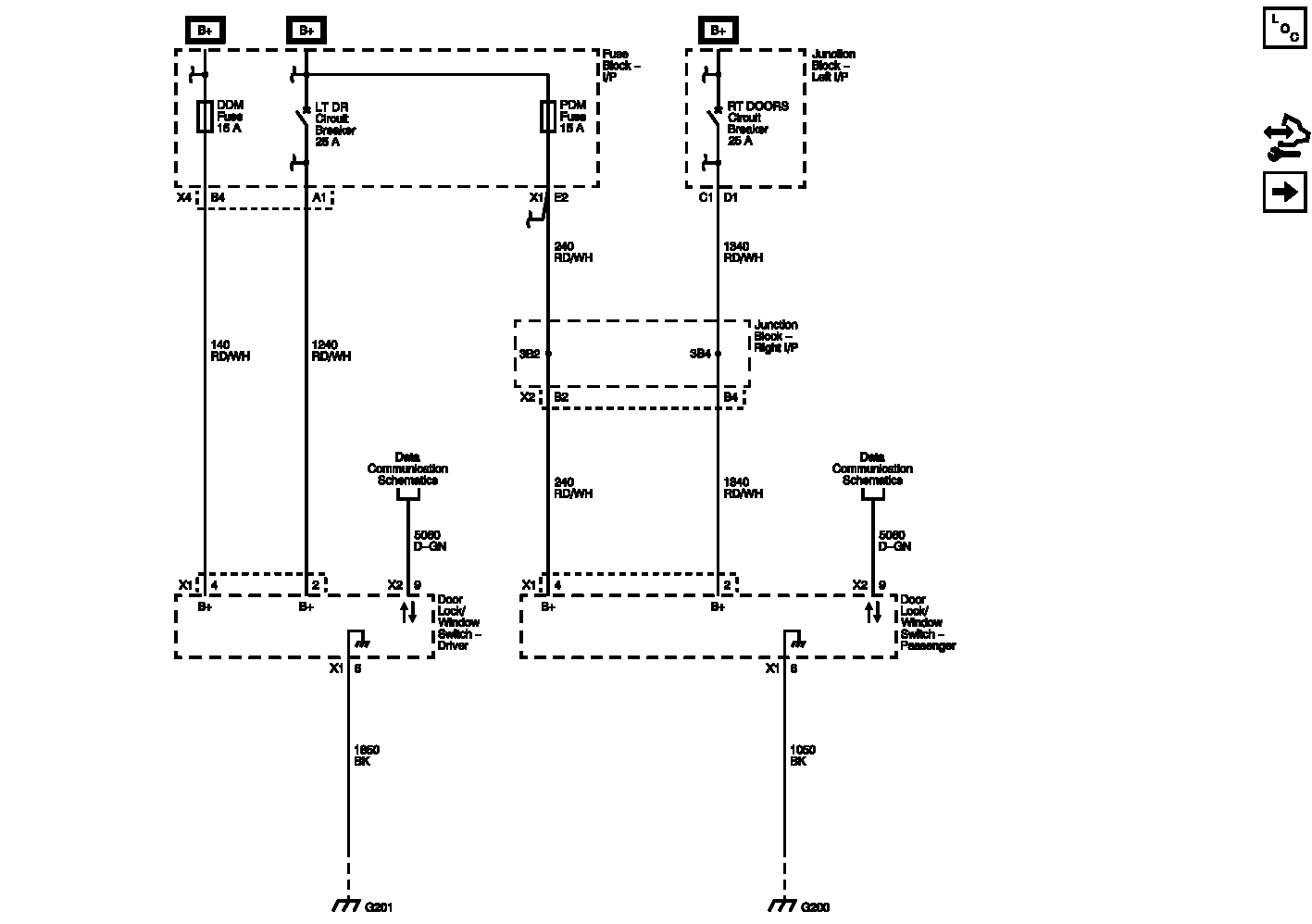
Power, Ground, and Serial Data Wiring Schematics

Fig 1: Power, Ground, and Serial Data Wiring Schematics
GM2640825Courtesy of GENERAL MOTORS COMPANY