LEMON Manuals: Even more car manuals for everyone: 1960-2025
Home >> Cadillac >> 2012 >> Escalade EXT >> Repair and Diagnosis (Single Page) >> Accessories & Equipment >> Collision/Avoidance >> Object Detection System - Park Assist System >> Schematic Wiring Diagrams >> Object Detection Wiring Schematics >> Side Object Detection (UFT) Wiring Schematics
April 5, 2026: LEMON Manuals is launched! Read the announcement.

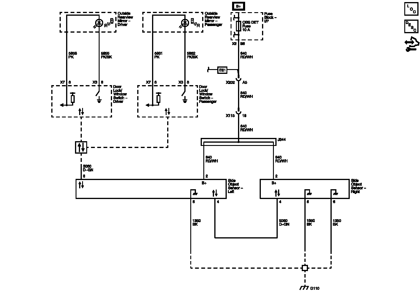
Side Object Detection (UFT) Wiring Schematics

Fig 1: Side Object Detection (UFT) Wiring Schematics
GM2643588Courtesy of GENERAL MOTORS COMPANY