LEMON Manuals: Even more car manuals for everyone: 1960-2025
Home >> Cadillac >> 2012 >> Escalade EXT >> Repair and Diagnosis (Single Page) >> Accessories & Equipment >> Entertainment Systems >> Cellular System, Entertainment System, And Navigation System >> Schematic Wiring Diagrams >> Radio/Navigation System Wiring Schematics >> Radio Power, Ground, Serial Data, and Antenna Signals Wiring Schematics
April 5, 2026: LEMON Manuals is launched! Read the announcement.

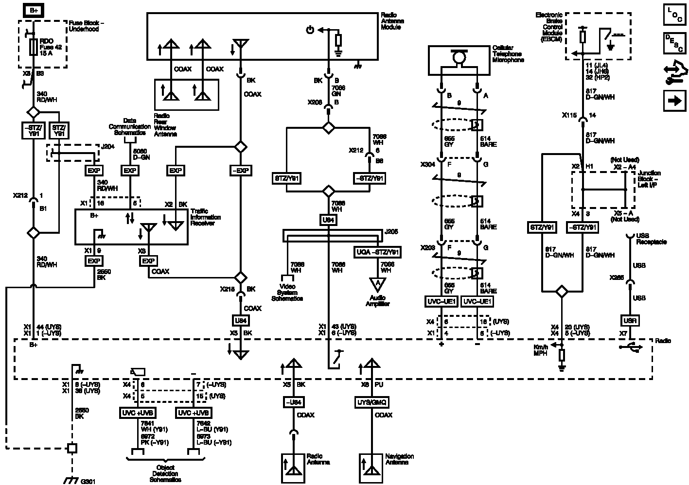
Radio Power, Ground, Serial Data, and Antenna Signals Wiring Schematics

Fig 1: Radio Power, Ground, Serial Data, and Antenna Signals Wiring Schematics
GM2643443Courtesy of GENERAL MOTORS COMPANY