LEMON Manuals: Even more car manuals for everyone: 1960-2025
Home >> Cadillac >> 2012 >> Escalade EXT >> Repair and Diagnosis (Single Page) >> Engine Performance >> System >> Data Communications System >> Schematic Wiring Diagrams >> Data Communication Wiring Schematics >> Serial Data Gateway Module (HP2) Wiring Schematics
April 5, 2026: LEMON Manuals is launched! Read the announcement.

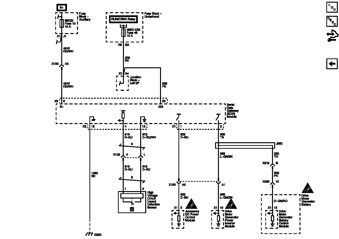
Serial Data Gateway Module (HP2) Wiring Schematics

Fig 1: Serial Data Gateway Module (HP2) Wiring Schematics
GM2635384Courtesy of GENERAL MOTORS COMPANY