LEMON Manuals: Even more car manuals for everyone: 1960-2025
Home >> Cadillac >> 2012 >> Escalade EXT >> Repair and Diagnosis >> Accessories & Equipment >> Infotainment >> Cellular System, Entertainment System, And Navigation System >> Schematic Wiring Diagrams >> OnStar Wiring Schematics >> Module Power, Ground, and Serial Data Wiring Schematics
April 5, 2026: LEMON Manuals is launched! Read the announcement.

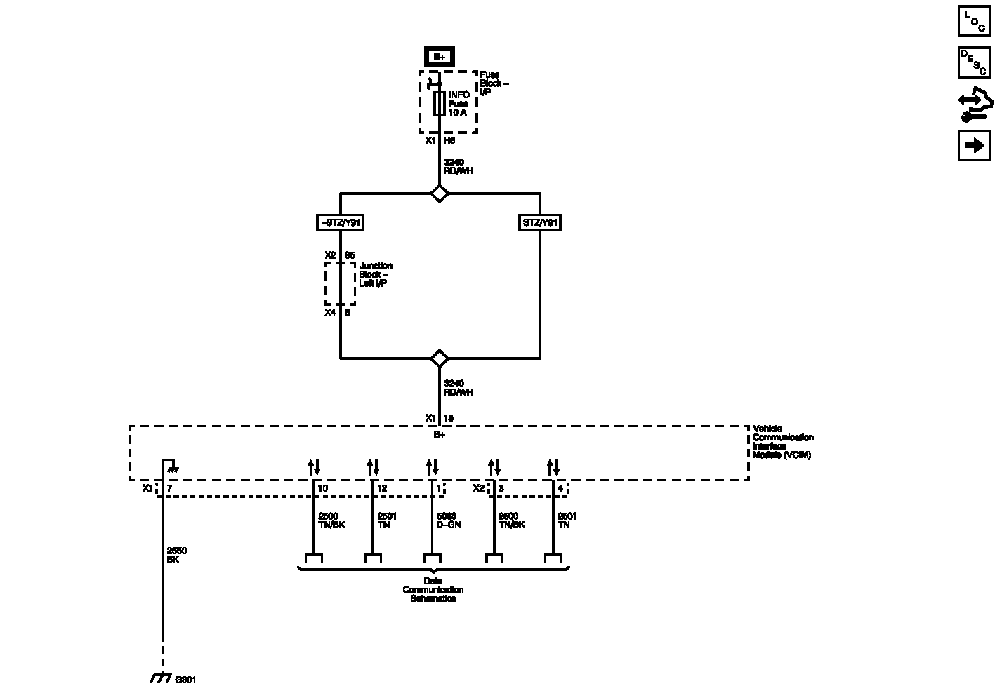
Module Power, Ground, and Serial Data Wiring Schematics

Fig 1: Module Power, Ground, and Serial Data Wiring Schematics
GM2643470Courtesy of GENERAL MOTORS COMPANY