LEMON Manuals: Even more car manuals for everyone: 1960-2025
Home >> Cadillac >> 2012 >> Escalade EXT >> Repair and Diagnosis >> Electrical >> Charging Systems >> Battery, Charging System And Starting System >> Repair Instructions >> Battery Replacement >> Installation Procedure
April 5, 2026: LEMON Manuals is launched! Read the announcement.

Installation Procedure

    Fig 1: View Of Battery Hold Down Retainer & Bolt
    GM1702812Courtesy of GENERAL MOTORS COMPANY
  1. Install the battery.
  2. CAUTION:

    Refer to Fastener Caution .

  3. Install the battery hold down retainer and the bolt.

    Tighten 

    Tighten the retainer bolt to 25 N.m (18 lb ft).

  4. Fig 2: View Of Front Fender Rear Upper Brace & Bolts
    GM1702811Courtesy of GENERAL MOTORS COMPANY
  5. Install the right front fender rear upper brace and the bolts.

    Tighten 

    Tighten the brace bolts to 9 N.m (80 lb in).

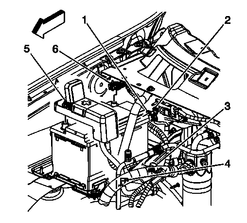
  6. Fig 3: View Of Battery Cable Components
    GM1702504Courtesy of GENERAL MOTORS COMPANY
  7. Install the starter solenoid cable to the positive battery terminal.
  8. Tighten the starter solenoid cable nut (5).

    Tighten 

    Tighten the solenoid cable nut to 5 N.m (44 lb in).

  9. Close the starter solenoid cable cover at the positive battery terminal.
  10. Connect the negative battery cable. Refer to Battery Negative Cable Disconnection and Connection .