LEMON Manuals: Even more car manuals for everyone: 1960-2025
Home >> Cadillac >> 2012 >> Escalade EXT >> Repair and Diagnosis >> Engine Performance >> System >> Data Communications System >> Schematic Wiring Diagrams >> Data Communication Wiring Schematics >> Powertrain Expansion Bus (HP2) Wiring Schematics
April 5, 2026: LEMON Manuals is launched! Read the announcement.

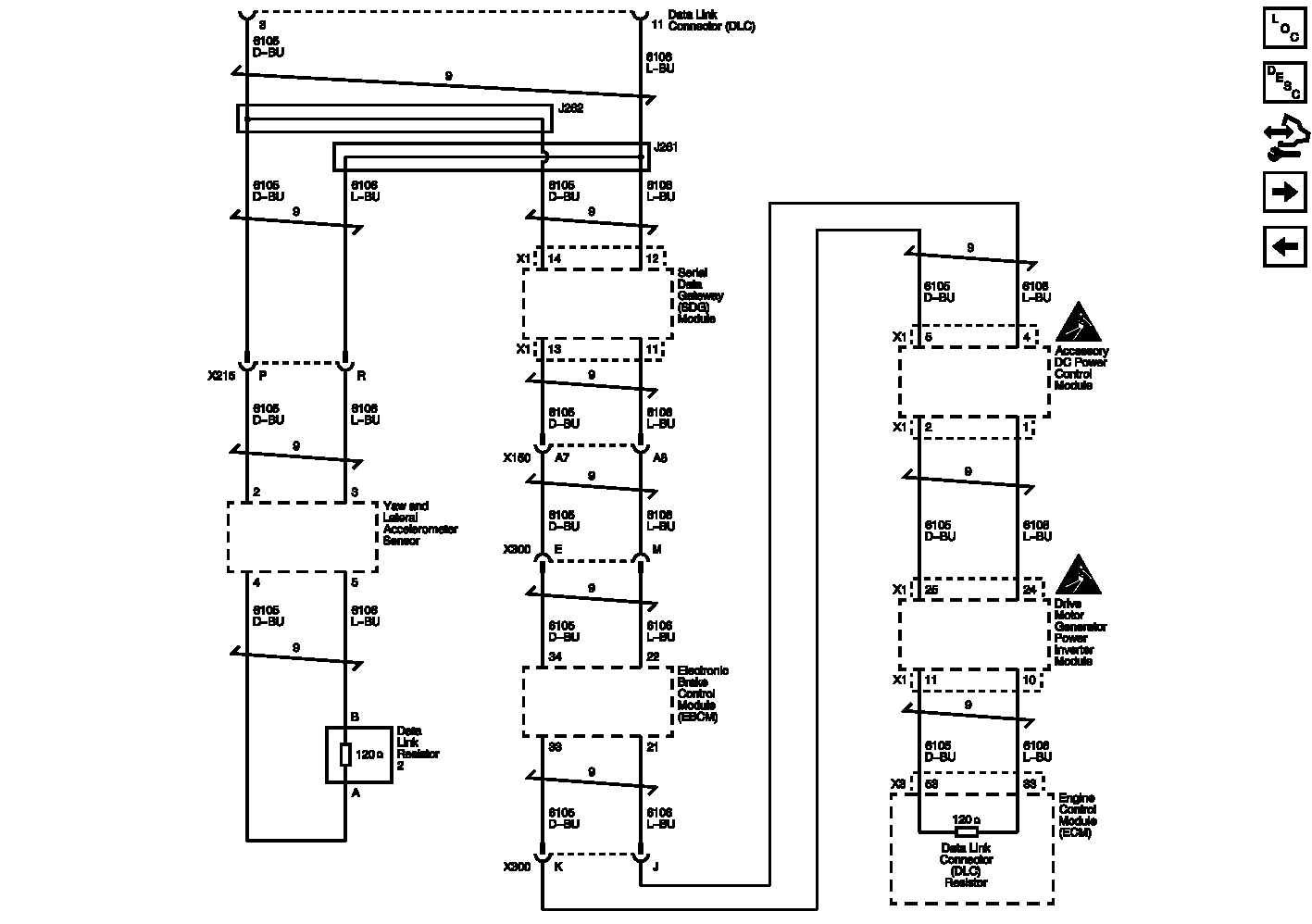
Powertrain Expansion Bus (HP2) Wiring Schematics

Fig 1: Powertrain Expansion Bus (HP2) Wiring Schematics
GM2635365Courtesy of GENERAL MOTORS COMPANY