LEMON Manuals: Even more car manuals for everyone: 1960-2025
Home >> Cadillac >> 2012 >> Escalade EXT >> Repair and Diagnosis >> Engine Performance >> System >> Data Communications System >> Schematic Wiring Diagrams >> Data Communication Wiring Schematics >> Serial Data Communication Enable and Wake-up Circuits Wiring Schematics
April 5, 2026: LEMON Manuals is launched! Read the announcement.

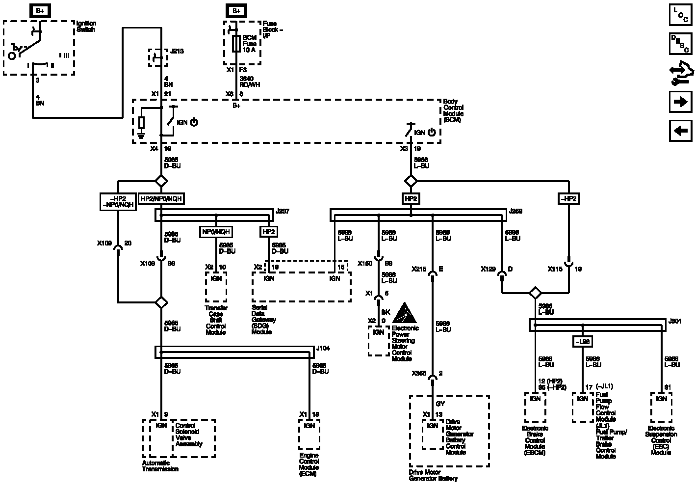
Serial Data Communication Enable and Wake-up Circuits Wiring Schematics

Fig 1: Serial Data Communication Enable and Wake-up Circuits Wiring Schematics
GM2635359Courtesy of GENERAL MOTORS COMPANY