LEMON Manuals: Even more car manuals for everyone: 1960-2025
Home >> Cadillac >> 2012 >> Escalade EXT >> Repair and Diagnosis >> External Pages >> Different car >> Section 1220 (Hybrid Engine Control System) >> Repair Instructions >> Drive Motor Generator Control Module Assembly Replacement >> Removal Procedure
April 5, 2026: LEMON Manuals is launched! Read the announcement.

Removal Procedure

WARNING: This page is about a different car, the 2008 GMC Yukon and 2008 Chevrolet Tahoe. However, it is still accessible from the selected car via links, so may be relevant.
    WARNING: Always perform the High Voltage Disabling procedure prior to servicing any High Voltage component or connection. Personal Protection Equipment (PPE) and proper procedures must be followed.
    The High Voltage Disabling procedure will perform the following tasks:
    • Identify how to disable high voltage.
    • Identify how to test for the presence of high voltage.
    • Identify condition under which high voltage is always present and personal protection equipment (PPE) and proper procedures must be followed.

    Failure to follow the procedures exactly as written may result in serious injury or death.
  1. Perform the High Voltage Disabling procedure. Refer to High Voltage Disabling .
  2. Fig 1: Locating Drive Motor Generator Control Module Assembly Connector
    GM1971276Courtesy of GENERAL MOTORS CORP.
  3. Remove the air cleaner. Refer to Air Cleaner Assembly Replacement .
  4. Disconnect the drive motor generator control module assembly connector (1).
  5. Drain the power electronics cooling system. Refer to Generator Control Module Cooling System Draining and Filling .
  6. Fig 2: Identifying Power Inverter Control Module (PIM) 3-Phase Cable Terminal Fasteners
    GM1971277Courtesy of GENERAL MOTORS CORP.
    CAUTION: Always remove and install the High Voltage terminal fasteners with a magnet tipped socket. Never touch the exposed electronic circuit board surface or components. Dropped fasteners or physical contact may result in electronic circuit board damage.
  7. Remove the drive motor generator power inverter control module (PIM) 3 phase cable terminal fasteners (1).
  8. CAUTION: High Voltage (HV) cables should never be removed from the mounting block. Removal of the individual HV cable from the mounting block may result in HV cable and/or component damage from improper:
    • Cable sealing
    • Electrical shielding
    • Terminal position assurance
  9. Remove the PIM 3 phase cable mounting fasteners (2, 4).
  10. Remove the PIM 3 phase cables (3, 5) from the PIM distribution box.
  11. Remove and discard the seals (6).
  12. Fig 3: Identifying HV DC Battery Cable & Seal
    GM1971278Courtesy of GENERAL MOTORS CORP.
    CAUTION: Always remove and install the High Voltage terminal fasteners with a magnet tipped socket. Never touch the exposed electronic circuit board surface or components. Dropped fasteners or physical contact may result in electronic circuit board damage.
  13. Remove the HV dc electric air conditioning compressor module (ACCM) cable terminal fasteners (1).
  14. Remove the HV dc electric ACCM cable mounting fasteners (3).
  15. Remove the HV dc electric ACCM cable (4) from the PIM distribution box.
  16. Remove the HV dc battery cable terminal fasteners (2).
  17. Remove the HV dc battery cable mounting fasteners (5).
  18. Remove the HV dc battery cable (6) from the PIM distribution box.
  19. Remove and discard the seals (7).
  20. Fig 4: Identifying Drive Motor Generator Position Sensor Shield Circuit Harness
    GM1971281Courtesy of GENERAL MOTORS CORP.
  21. Remove the drive motor generator position sensor shield circuit fastener (2).
  22. Remove the shield circuit harness (1).
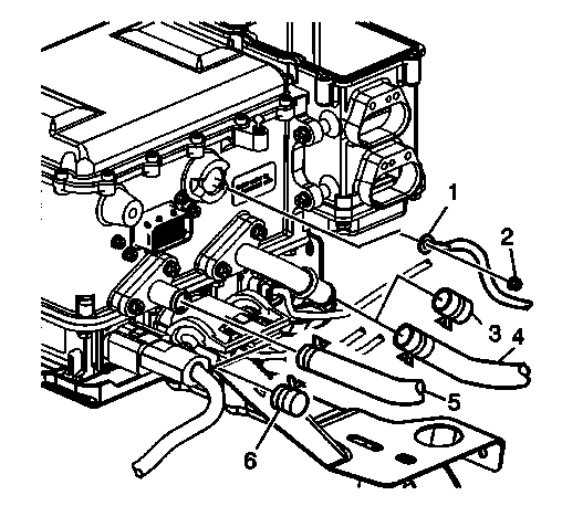
  23. Remove the PIM cooling inlet (5) and outlet (4) hoses.
  24. Cap the coolant pipes (3, 6) to prevent coolant spillage when lifting the drive motor generator control module assembly from the vehicle.
  25. Fig 5: Identifying APM Assembly Connectors
    GM1971280Courtesy of GENERAL MOTORS CORP.
    IMPORTANT: The gray side tabs on the accessory dc power control module (APM) assembly connector (2) must be pressed in before rotating the lever.
  26. Disconnect the APM assembly connector (2) using the following procedure:
    1. Push the green tab.
    2. Squeeze the gray side tabs, then rotate the lever.
  27. Disconnect the APM assembly connector (3) using the following procedure:
    1. Remove the locking tab.
    2. Insert a small flat blade screwdriver into the locking tab area and raise the tab while pulling on the connector.
  28. Disconnect the remaining APM assembly connector (1).
  29. Fig 6: Identifying Sight Shield Circuit Breaker & Fasteners
    GM1971283Courtesy of GENERAL MOTORS CORP.
  30. Remove the sight shield circuit breaker fasteners (1).
  31. Remove the sight shield circuit breaker (2).
  32. Fig 7: Locating Control Module Assembly Retainers & Mounting Nuts
    GM1971286Courtesy of GENERAL MOTORS CORP.
  33. Remove the APM ground strap fastener (2) and ground strap (1).
  34. Remove the drive motor generator control module assembly mounting fasteners (3) and retainers (4).
  35. Fig 8: View Of drive motor generator control module & Lifting Device
    GM1971288Courtesy of GENERAL MOTORS CORP.
  36. Remove the ball studs (1) from the drive motor generator control module.
  37. Attach a lifting device (2 and 3) to the drive motor generator control module assembly at the three identified locations.
  38. Lift the drive motor generator control module assembly from the vehicle.
  39. To replace the drive motor generator power inverter module (PIM) assembly, refer to Drive Motor Generator Power Inverter Module Removal and Installation . To replace the accessory DC power control module, refer to Accessory DC Power Control Module Removal and Installation .