LEMON Manuals: Even more car manuals for everyone: 1960-2025
Home >> Cadillac >> 2012 >> Escalade EXT >> Repair and Diagnosis >> External Pages >> Different car >> Section 1220 (Hybrid Engine Control System) >> Repair Instructions >> Generator Control Module 3-Phase Cable Assembly Replacement >> Removal Procedure
April 5, 2026: LEMON Manuals is launched! Read the announcement.

Removal Procedure

WARNING: This page is about a different car, the 2008 GMC Yukon and 2008 Chevrolet Tahoe. However, it is still accessible from the selected car via links, so may be relevant.
    WARNING: Always perform the High Voltage Disabling procedure prior to servicing any High Voltage component or connection. Personal Protection Equipment (PPE) and proper procedures must be followed.
    The High Voltage Disabling procedure will perform the following tasks:
    • Identify how to disable high voltage.
    • Identify how to test for the presence of high voltage.
    • Identify condition under which high voltage is always present and personal protection equipment (PPE) and proper procedures must be followed.

    Failure to follow the procedures exactly as written may result in serious injury or death.
  1. Perform the high voltage disabling. Refer to High Voltage Disabling .
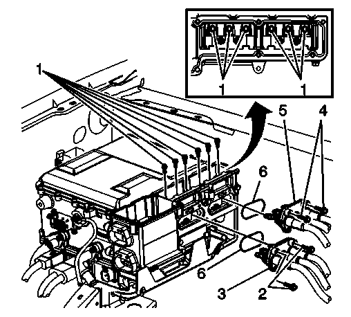
  2. Fig 1: Identifying Power Inverter Control Module (PIM) 3-Phase Cable Terminal Fasteners
    GM1971277Courtesy of GENERAL MOTORS CORP.
    CAUTION: Always remove and install the High Voltage terminal fasteners with a magnet tipped socket. Never touch the exposed electronic circuit board surface or components. Dropped fasteners or physical contact may result in electronic circuit board damage.
  3. Remove the power inverter module (PIM) 3 phase cable terminal fasteners (1).
  4. Remove the PIM 3 phase cable mounting fasteners (2, 4).
  5. Remove the PIM 3 phase cables (3, 5) from the PIM distribution box.
  6. Remove and discard the seals (6).
  7. Fig 2: View Of Cable Retainer, Bracket & Nut
    GM1972998Courtesy of GENERAL MOTORS CORP.
  8. Remove the 3 phase cable retainer nut (2).
  9. Remove the 3 phase cable retainer (1) from the bracket.
  10. Fig 3: View Of 3-Phase Cables & Housing
    GM1971046Courtesy of GENERAL MOTORS CORP.
  11. Remove and lower the transmission enough to gain access to the 3 phase cable bracket bolts (1). Refer to Transmission Replacement .
  12. Remove the 3 phase cable bracket bolts (1).
  13. Remove the 3 phase cover bolts (9) and transmission cover terminal housing (8).
  14. Remove the 3 phase cover (7).
  15. Disconnect the 3 phase cable cover connector.
  16. Remove the 3 phase cable bolt protective cover (5).
  17. Remove the 3 phase cable retaining bolts (4).
  18. Remove the 3 phase cables and housing (3).
  19. Finish removal of the transmission while allowing the 3 phase cables to remain in the vehicle. Refer to Transmission Replacement .
  20. Remove the 3 phase cables from the vehicle.