LEMON Manuals: Even more car manuals for everyone: 1960-2025
Home >> Cadillac >> 2012 >> Escalade EXT >> Repair and Diagnosis >> External Pages >> Different car >> Section 1501 (Cruise Control System) >> Schematic and Routing Diagrams >> Cruise Control Schematics
April 5, 2026: LEMON Manuals is launched! Read the announcement.

Cruise Control Schematics

WARNING: This page is about a different car, the 2009 Saturn Vue. However, it is still accessible from the selected car via links, so may be relevant.
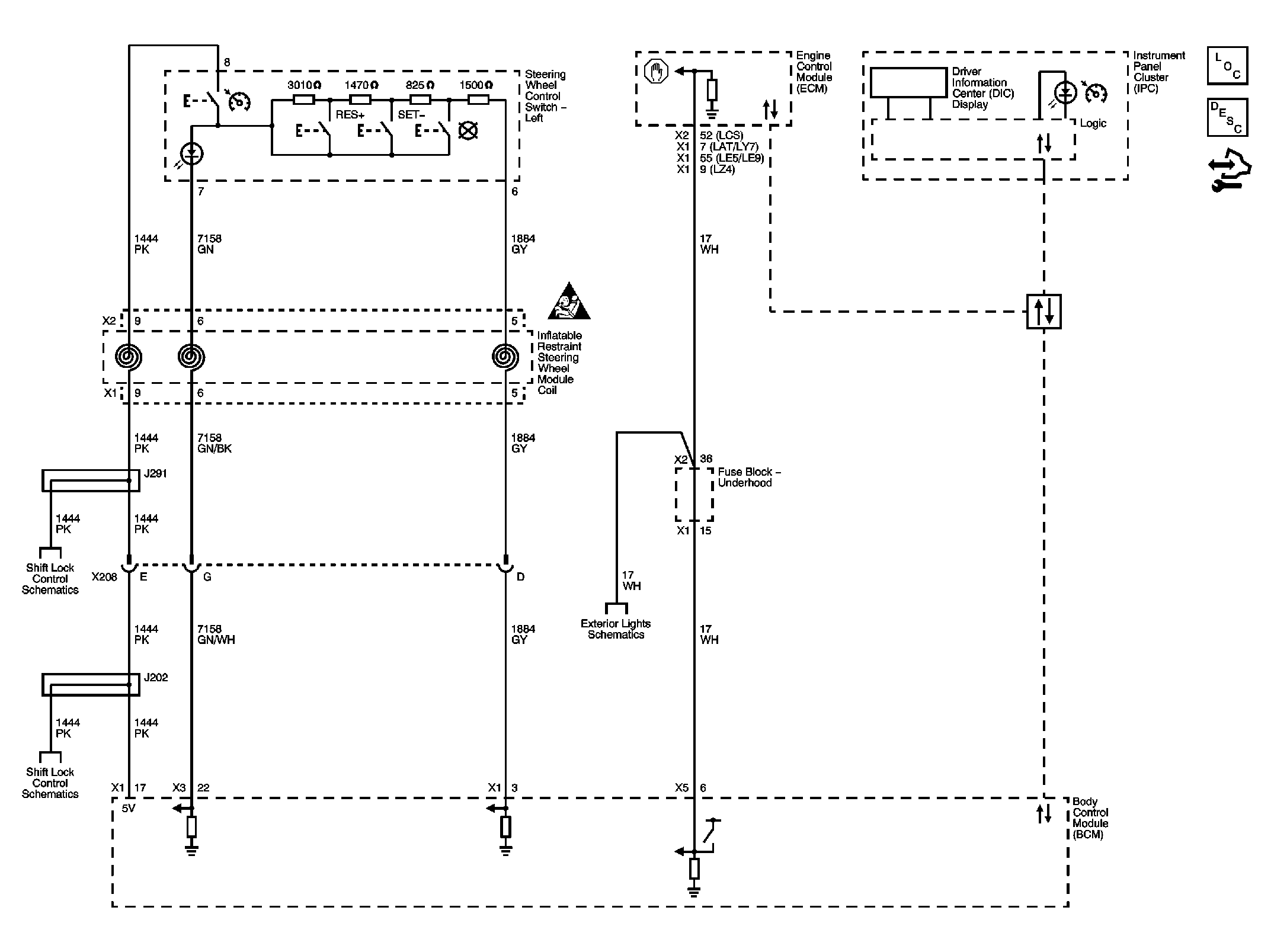
Fig 1: Steering Wheel Controls
GM2079617Courtesy of GENERAL MOTORS CORP.