LEMON Manuals: Even more car manuals for everyone: 1960-2025
Home >> Cadillac >> 2012 >> Escalade EXT >> Repair and Diagnosis >> External Pages >> Different car >> Section 1619 (Cruise Control System) >> Schematic and Routing Diagrams >> Cruise Control Schematics
April 5, 2026: LEMON Manuals is launched! Read the announcement.

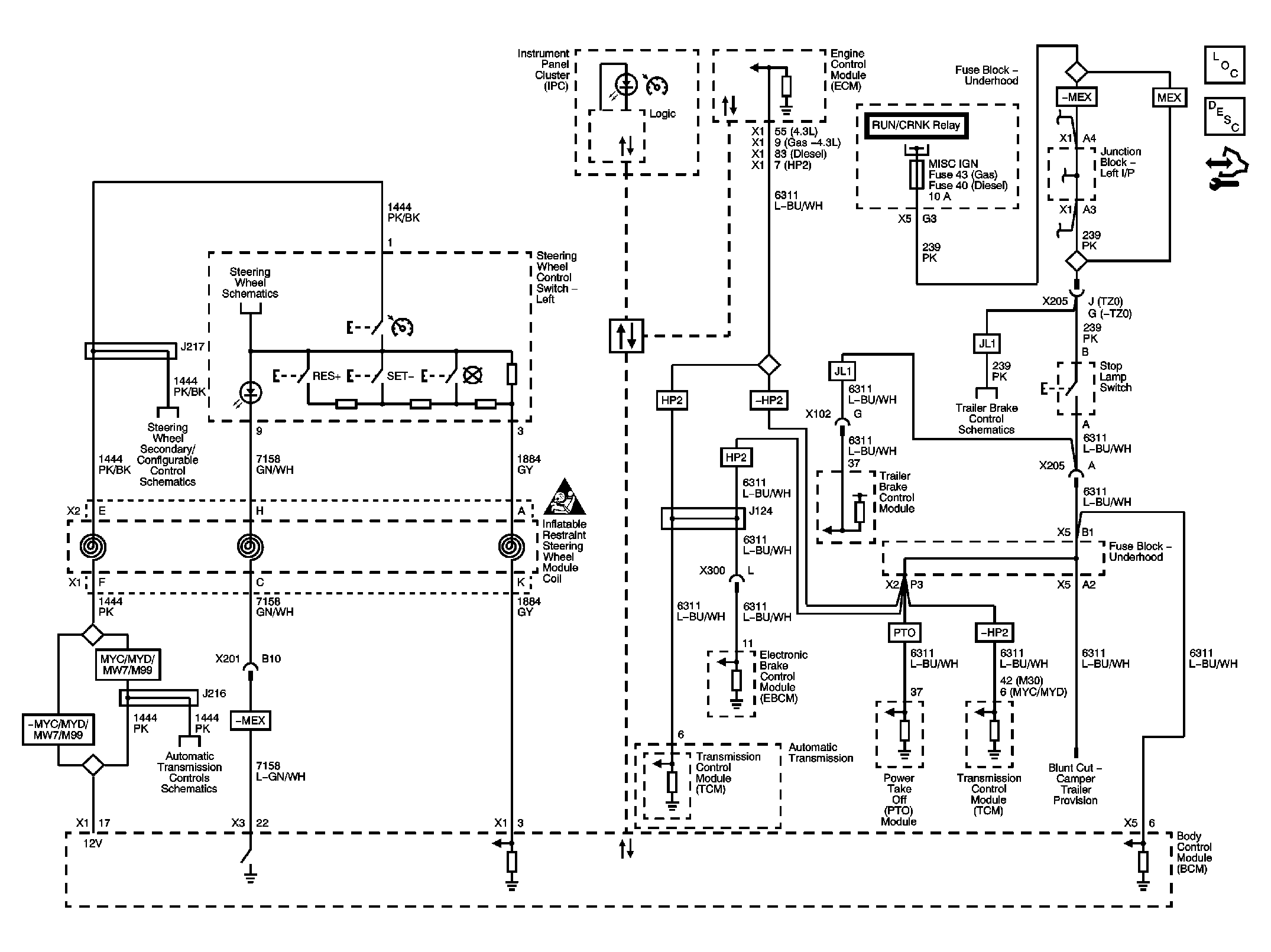
Cruise Control Schematics

WARNING: This page is about a different car, the 2010 GMC Sierra, 2010 GMC Cab & Chassis Sierra, 2010 Chevrolet Silverado, and 2010 Chevrolet Cab & Chassis Silverado. However, it is still accessible from the selected car via links, so may be relevant.
Fig 1: Cruise Control
GM2224076Courtesy of GENERAL MOTORS CORP.