LEMON Manuals: Even more car manuals for everyone: 1960-2025
Home >> Cadillac >> 2012 >> Escalade EXT >> Repair and Diagnosis >> External Pages >> Different car >> Section 674 (Cellular System, Entertainment System, And Navigation System) >> Schematic and Routing Diagrams >> Radio/Navigation System Schematics
April 5, 2026: LEMON Manuals is launched! Read the announcement.

Radio/Navigation System Schematics

WARNING: This page is about a different car, the 2007 Saturn Vue. However, it is still accessible from the selected car via links, so may be relevant.
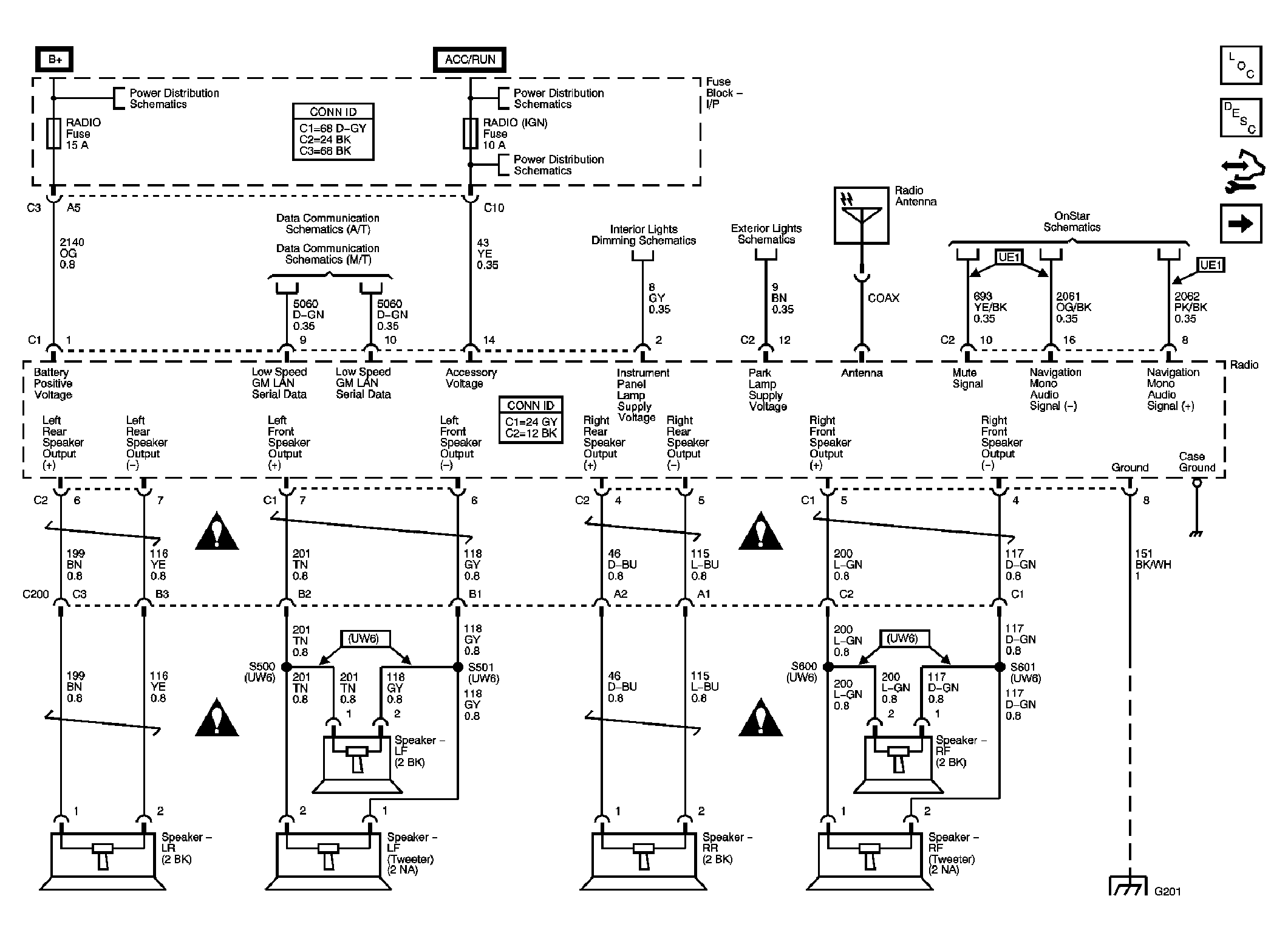
Fig 1: Power, Ground, and Speakers
GM1798799Courtesy of GENERAL MOTORS CORP.
Fig 2: Power, Ground, and Amplifier Controls
GM1798868Courtesy of GENERAL MOTORS CORP.
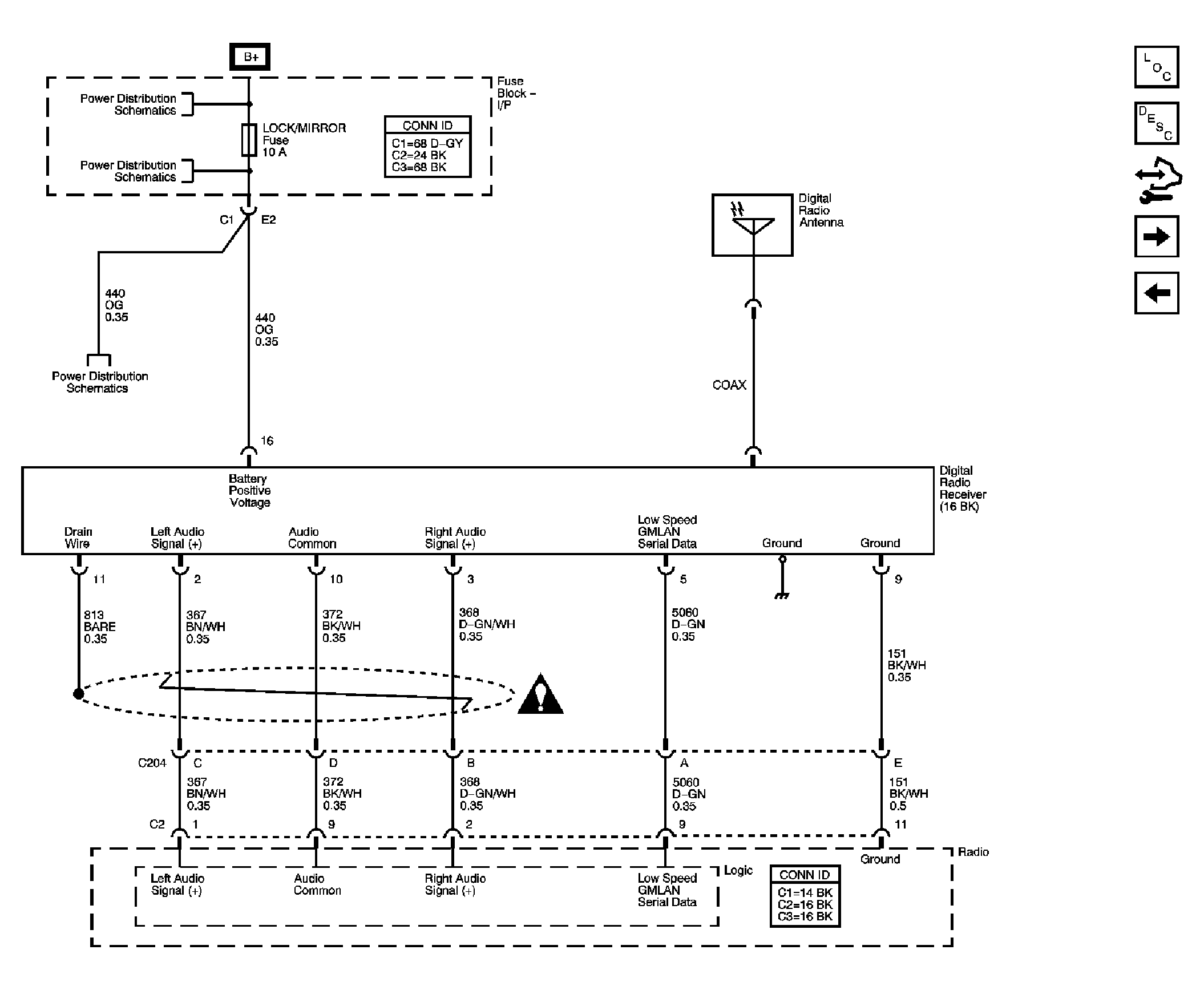
Fig 3: Digital Radio Receiver
GM1798871Courtesy of GENERAL MOTORS CORP.
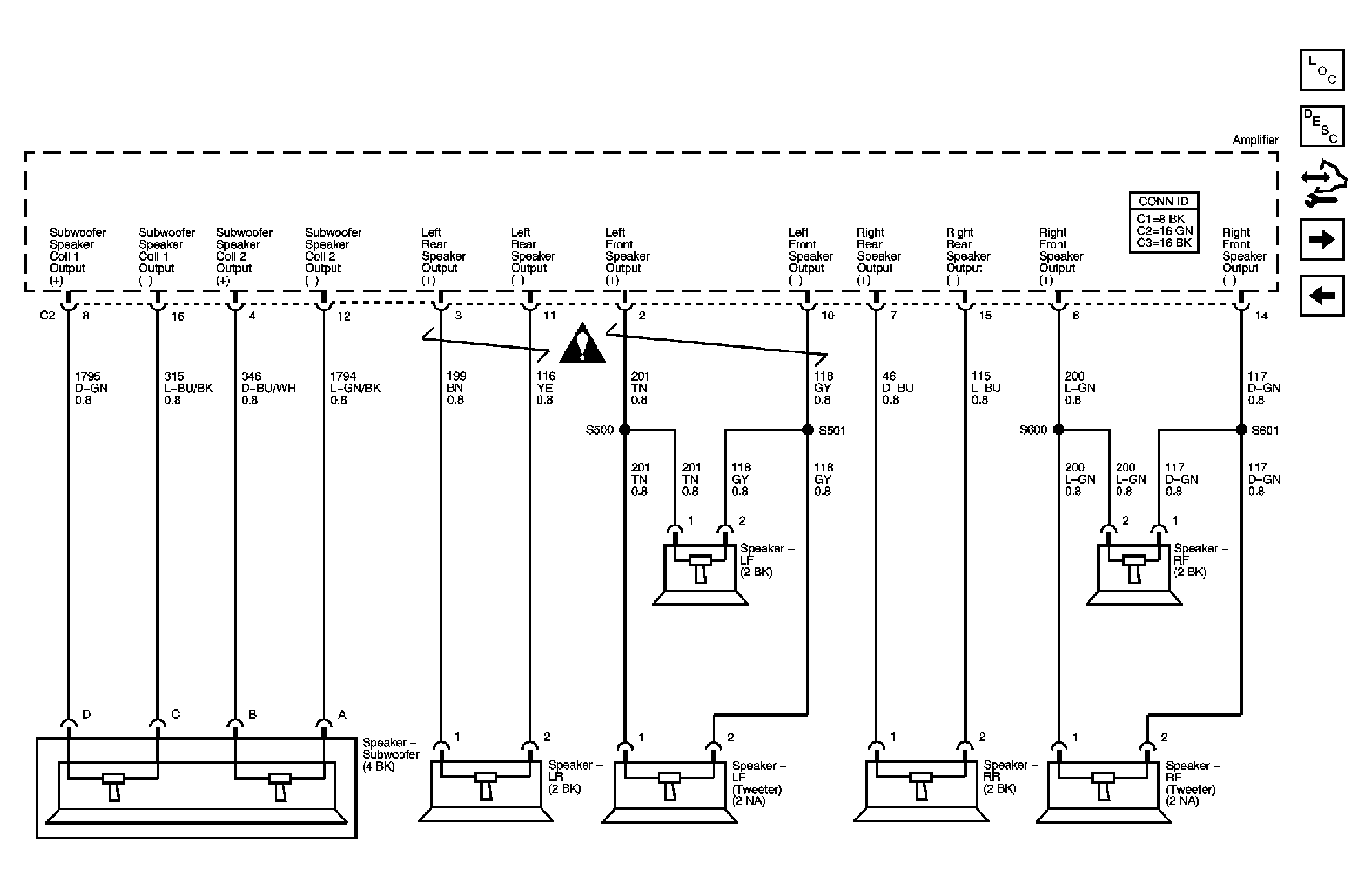
Fig 4: Speakers
GM1798874Courtesy of GENERAL MOTORS CORP.
Fig 5: Redundant Radio Controls
GM1798876Courtesy of GENERAL MOTORS CORP.