LEMON Manuals: Even more car manuals for everyone: 1960-2025
Home >> Cadillac >> 2012 >> Escalade EXT >> Repair and Diagnosis >> External Pages >> Different car >> Section 677 (Battery, Charging System And Starting System) >> Diagnostic Information and Procedures >> DTC P0621 >> Notes
April 5, 2026: LEMON Manuals is launched! Read the announcement.

DTC P0621: Notes

WARNING: This page is about a different car, the 2007 Saturn Vue. However, it is still accessible from the selected car via links, so may be relevant.
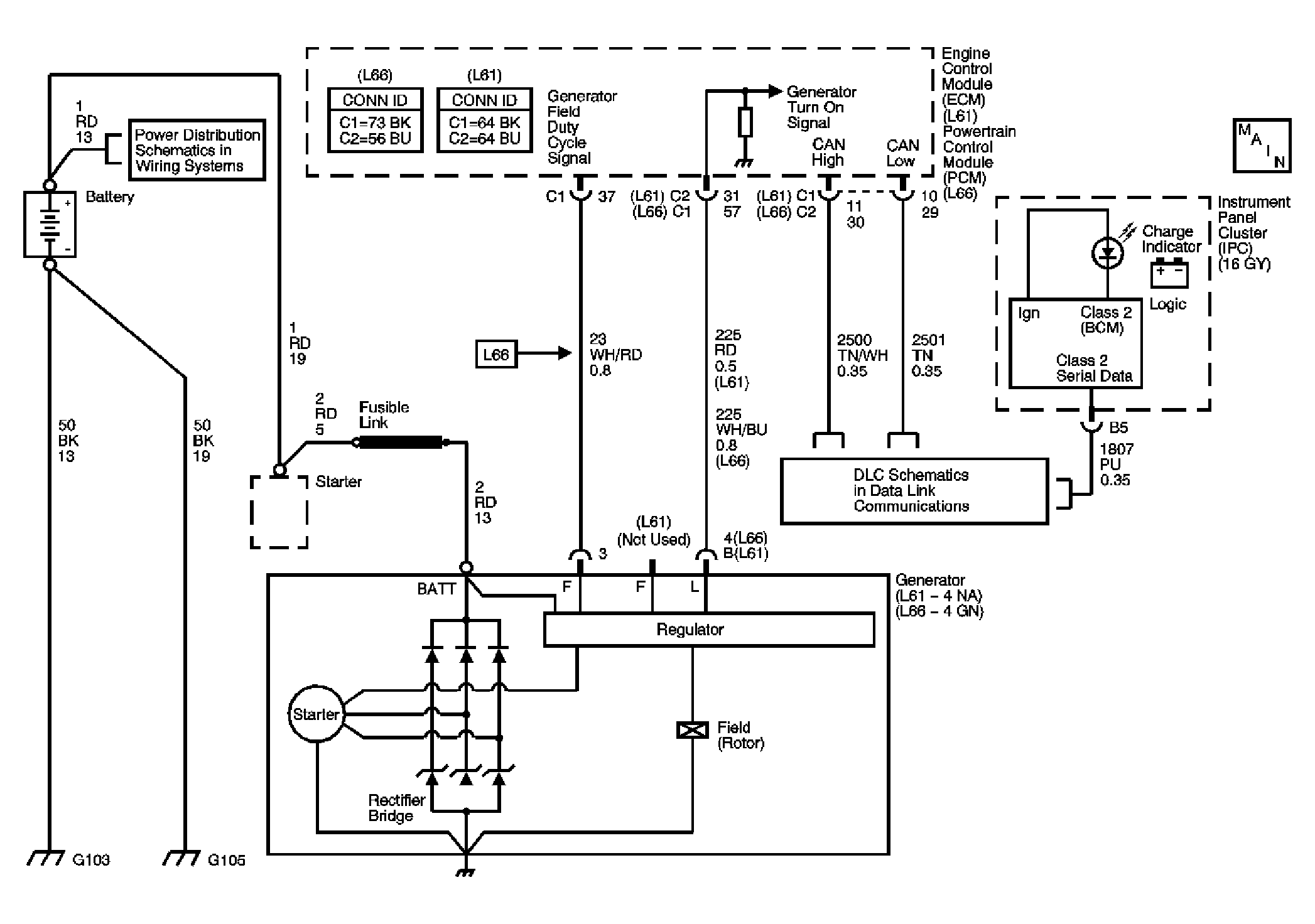
Fig 1: Starter & Generator Circuit
GM1477379Courtesy of GENERAL MOTORS CORP.