LEMON Manuals: Even more car manuals for everyone: 1960-2025
Home >> Cadillac >> 2012 >> Escalade EXT >> Repair and Diagnosis >> External Pages >> Different car >> Section 799 (Antilock Brake System, Traction Control System & Stability Control System) >> Repair Instructions >> Brake Pressure Modulator Valve Replacement (W/JL4) >> Removal Procedure
April 5, 2026: LEMON Manuals is launched! Read the announcement.

Removal Procedure

WARNING: This page does not describe the selected car, but rather 8 other vehicles, including the 2007 GMC Yukon XL, 2007 GMC Yukon, 2007 Chevrolet Tahoe, 2007 Chevrolet Suburban, and 2007 Chevrolet Avalanche. However, it is still accessible from the selected car via links, so may be relevant.
    CAUTION: Refer to Brake Fluid Irritant Caution .
    IMPORTANT: Cap the brake pipes to prevent brake fluid loss and contamination.
  1. Raise and support the vehicle. Refer to Lifting and Jacking the Vehicle .
  2. Clean all dirt and debris from the BPMV assembly and the brake pipe fittings.
  3. Disconnect the electronic brake control module (EBCM) electrical connector.
  4. IMPORTANT: Note the location of the brake pipes to the BPMV for proper installation.
    Fig 1: View Of BPMV & Components
    GM1702773Courtesy of GENERAL MOTORS CORP.
  5. Release the brake pipe retaining clip (1) from the frame.
  6. Disconnect the rear brake pipe fittings (2) and (4) from the BPMV (6).
  7. Remove the rear brake pipes (3) and (5) from the BPMV (6).
  8. Fig 2: View Of BPMV & Components
    GM1702775Courtesy of GENERAL MOTORS CORP.
  9. Disconnect the front brake pipe fitting (7) from the BPMV (6).
  10. Remove the front brake pipe (8) from the BPMV (6) and the retaining clip (9).
  11. Fig 3: View Of Front Brake Pipes & Fittings
    GM1702778Courtesy of GENERAL MOTORS CORP.
  12. Disconnect the front brake pipe fittings (10) from the BPMV (6).
  13. Remove the front brake pipes (11) from the BPMV (6).
  14. Fig 4: View Of BPMV & Bracket Assembly
    GM1702794Courtesy of GENERAL MOTORS CORP.
    IMPORTANT: It is not necessary to remove the BPMV bracket bolts.
  15. Loosen the BPMV bracket bolts.
  16. Slide the BPMV and bracket assembly toward the front of the vehicle and remove the assembly from the vehicle frame.
  17. If necessary, remove the EBCM from the BPMV. Refer to Electronic Brake Control Module Replacement (W/JL4)  or Electronic Brake Control Module Replacement (W/O JL4) .
  18. IMPORTANT: DO NOT pry against the accumulator piston caps on the bottom of the BPMV.
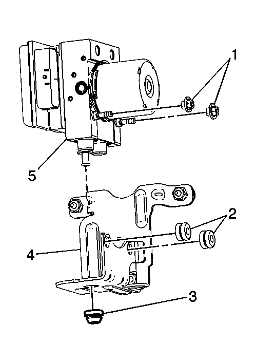
    Fig 5: View Of BPMV, Mounting Nuts & Grommets
    GM1702889Courtesy of GENERAL MOTORS CORP.
  19. If removing the BPMV bracket (4) from the BPMV (5), loosen the BPMV mounting nuts (1).
  20. Carefully lift the BPMV from the bracket to release the front grommets (2)
  21. Release the BPMV from the lower grommet (3).