LEMON Manuals: Even more car manuals for everyone: 1960-2025
Home >> Cadillac >> 2012 >> SRX AWD >> Repair and Diagnosis (Single Page) >> Accessories & Equipment >> Entertainment Systems >> Cellular System, Entertainment System, And Navigation System >> Wiring Schematics >> Radio/Navigation System Wiring Schematics >> Audio Inputs (UYE/UYF/UZZ)
April 5, 2026: LEMON Manuals is launched! Read the announcement.

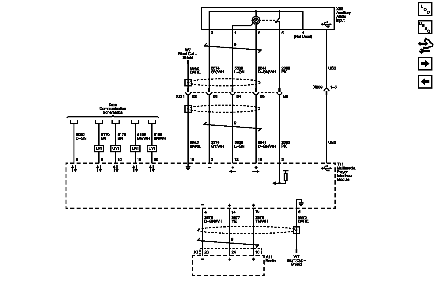
Audio Inputs (UYE/UYF/UZZ)

Fig 1: Audio Inputs (UYE/UYF/UZZ) Wiring Schematic
GM2624920Courtesy of GENERAL MOTORS COMPANY