LEMON Manuals: Even more car manuals for everyone: 1960-2025
Home >> Cadillac >> 2012 >> SRX AWD >> Repair and Diagnosis >> Accessories & Equipment >> Anti-Theft Systems >> Keyless Entry System And Remote Functions >> Schematic Wiring Diagrams >> Remote Function Wiring Schematics >> Passive Start
April 5, 2026: LEMON Manuals is launched! Read the announcement.

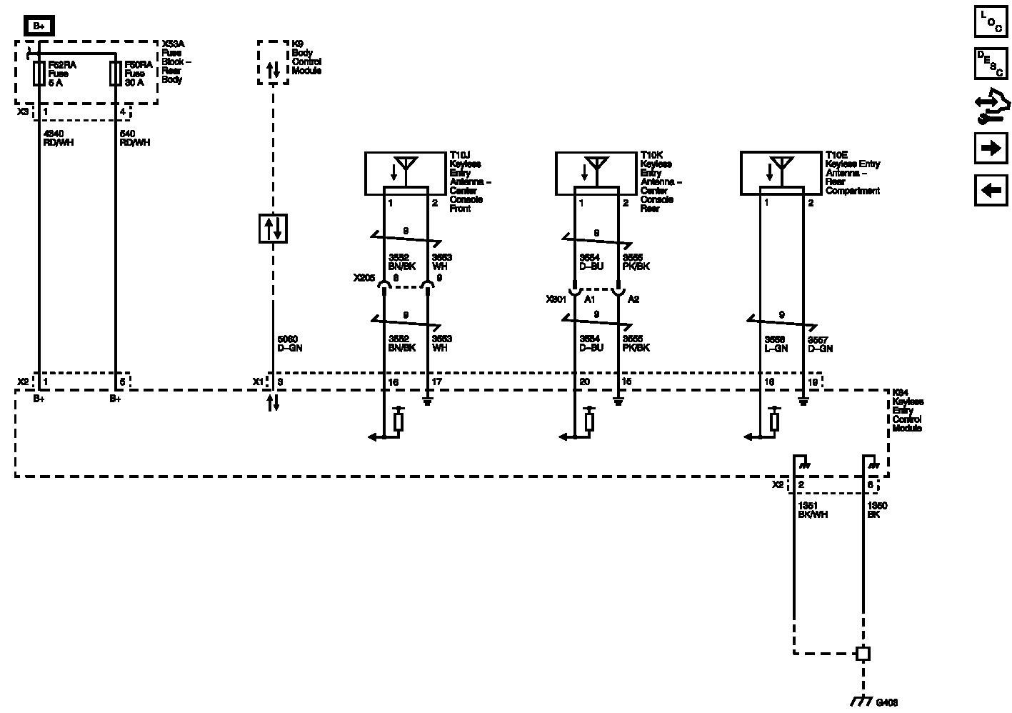
Passive Start

Fig 1: Passive Start Wiring Schematic
GM2624959Courtesy of GENERAL MOTORS COMPANY