LEMON Manuals: Even more car manuals for everyone: 1960-2025
Home >> Cadillac >> 2012 >> SRX AWD >> Repair and Diagnosis >> Accessories & Equipment >> Entertainment Systems >> Cellular System, Entertainment System, And Navigation System >> Wiring Schematics >> Radio/Navigation System Wiring Schematics >> Antenna Signals
April 5, 2026: LEMON Manuals is launched! Read the announcement.

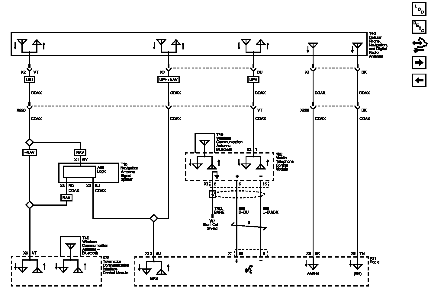
Antenna Signals

Fig 1: Antenna Signals Wiring Schematic
GM2624907Courtesy of GENERAL MOTORS COMPANY