LEMON Manuals: Even more car manuals for everyone: 1960-2025
Home >> Cadillac >> 2012 >> SRX AWD >> Repair and Diagnosis >> Accessories & Equipment >> Entertainment Systems >> Cellular System, Entertainment System, And Navigation System >> Wiring Schematics >> Radio/Navigation System Wiring Schematics >> Digital Radio Signals (UBT)
April 5, 2026: LEMON Manuals is launched! Read the announcement.

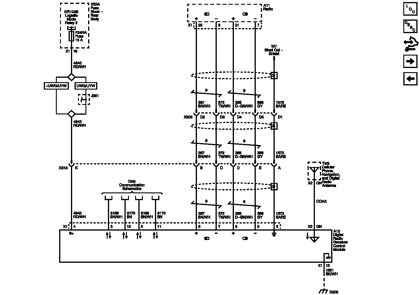
Digital Radio Signals (UBT)

Fig 1: Digital Radio Signals (UBT) Wiring Schematic
GM2624925Courtesy of GENERAL MOTORS COMPANY