LEMON Manuals: Even more car manuals for everyone: 1960-2025
Home >> Cadillac >> 2013 >> Escalade Base, AWD >> Repair and Diagnosis (Single Page) >> Accessories & Equipment >> Anti-Theft Systems >> Power Door Lock System And Release Systems >> Schematic Wiring Diagrams >> Liftgate Wiring Schematics >> Module Power, Ground, Serial Data, and Front Switch (E61)
April 5, 2026: LEMON Manuals is launched! Read the announcement.

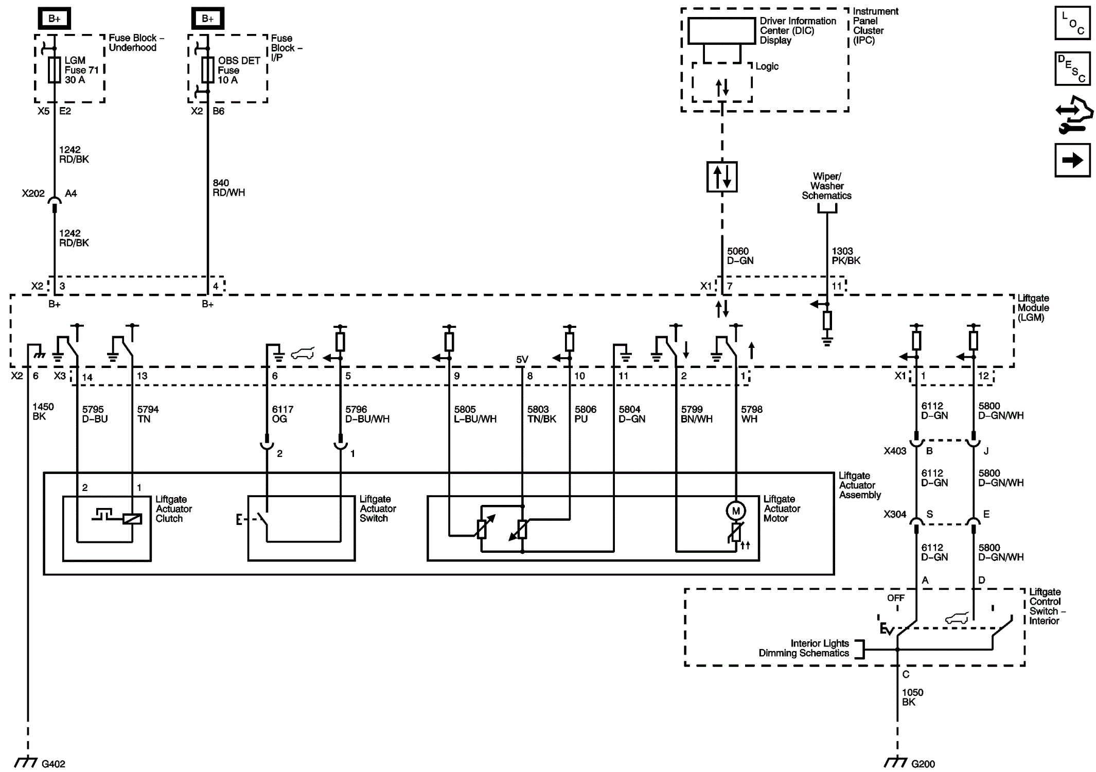
Module Power, Ground, Serial Data, and Front Switch (E61)

Fig 1: Module Power, Ground, Serial Data, and Front Switch Wiring Schematic (E61)
GM2761983Courtesy of GENERAL MOTORS COMPANY