LEMON Manuals: Even more car manuals for everyone: 1960-2025
Home >> Cadillac >> 2013 >> Escalade Base, AWD >> Repair and Diagnosis >> Accessories & Equipment >> Entertainment Systems >> Cellular System, Entertainment System, And Navigation System >> Schematic Wiring Diagrams >> Radio/Navigation System Wiring Schematics >> Digital Radio Receiver (U2K)
April 5, 2026: LEMON Manuals is launched! Read the announcement.

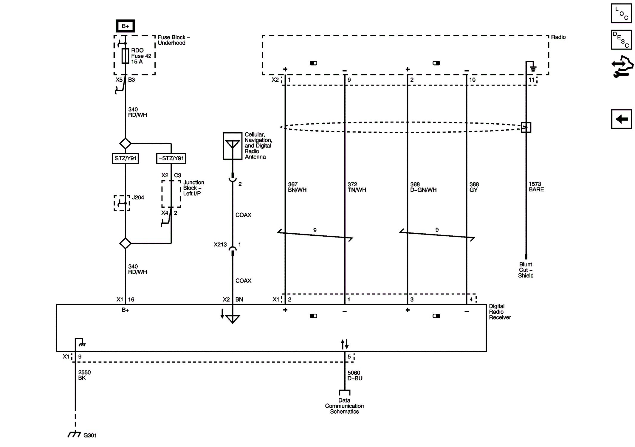
Digital Radio Receiver (U2K)

Fig 1: Digital Radio Receiver Wiring Schematic (U2K)
GM2759303Courtesy of GENERAL MOTORS COMPANY