LEMON Manuals: Even more car manuals for everyone: 1960-2025
Home >> Cadillac >> 2013 >> Escalade Base, AWD >> Repair and Diagnosis >> Engine Performance >> System >> Data Communication System >> Schematic Wiring Diagrams >> Data Communication Wiring Schematics >> Powertrain Expansion Bus (HP2)
April 5, 2026: LEMON Manuals is launched! Read the announcement.

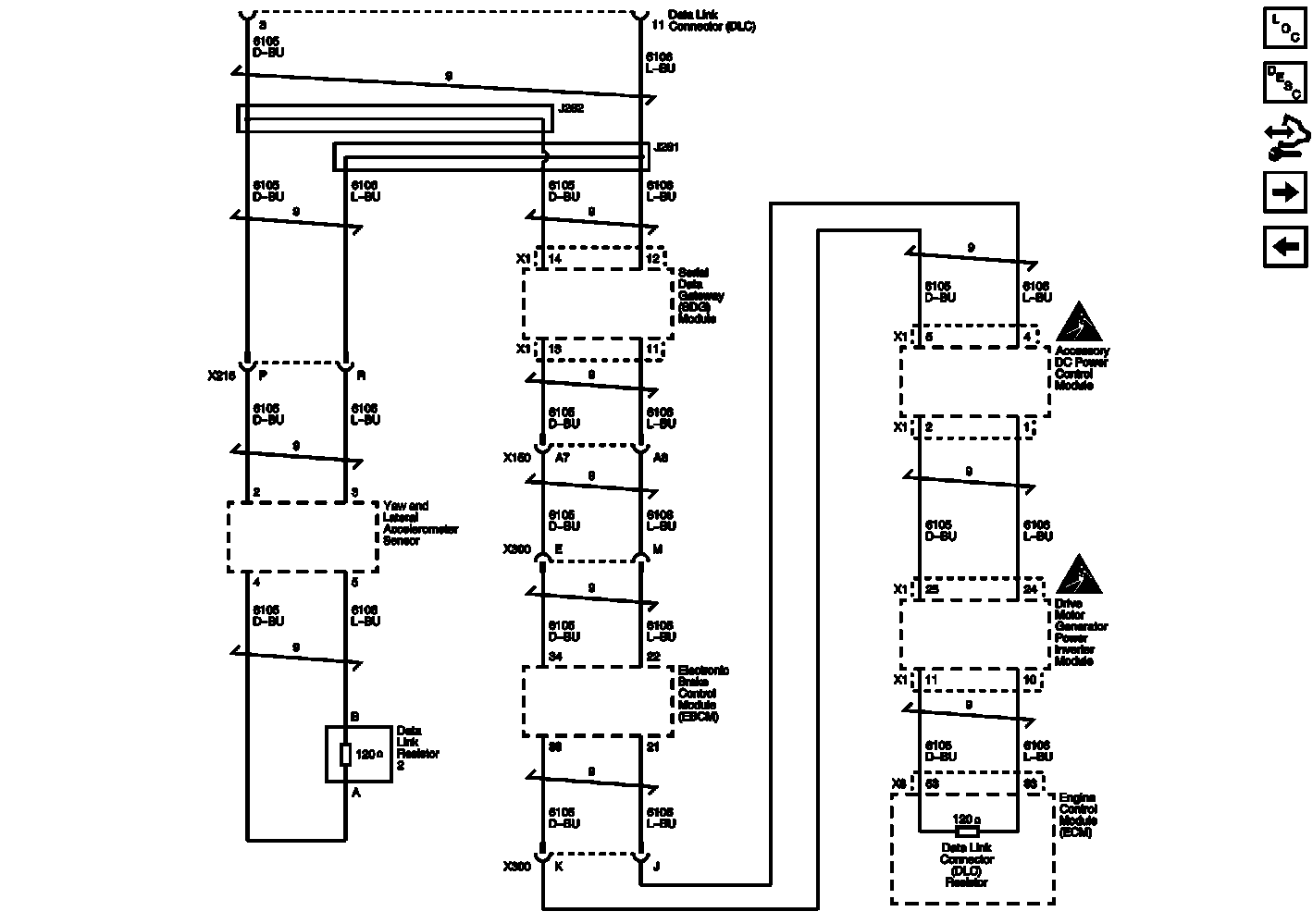
Powertrain Expansion Bus (HP2)

Fig 1: Powertrain Expansion Bus (HP2)
GM2761644Courtesy of GENERAL MOTORS COMPANY