LEMON Manuals: Even more car manuals for everyone: 1960-2025
Home >> Cadillac >> 2013 >> Escalade Base, RWD >> Repair and Diagnosis >> External Pages >> Different car >> Section 1295 (Cellular System, Entertainment System, And Navigation System) >> Schematic and Routing Diagrams >> Radio/Navigation System Schematics
April 5, 2026: LEMON Manuals is launched! Read the announcement.

Radio/Navigation System Schematics

WARNING: This page is about a different car, the 2009 GMC Sierra, 2009 GMC Cab & Chassis Sierra, 2009 Chevrolet Silverado, and 2009 Chevrolet Cab & Chassis Silverado. However, it is still accessible from the selected car via links, so may be relevant.
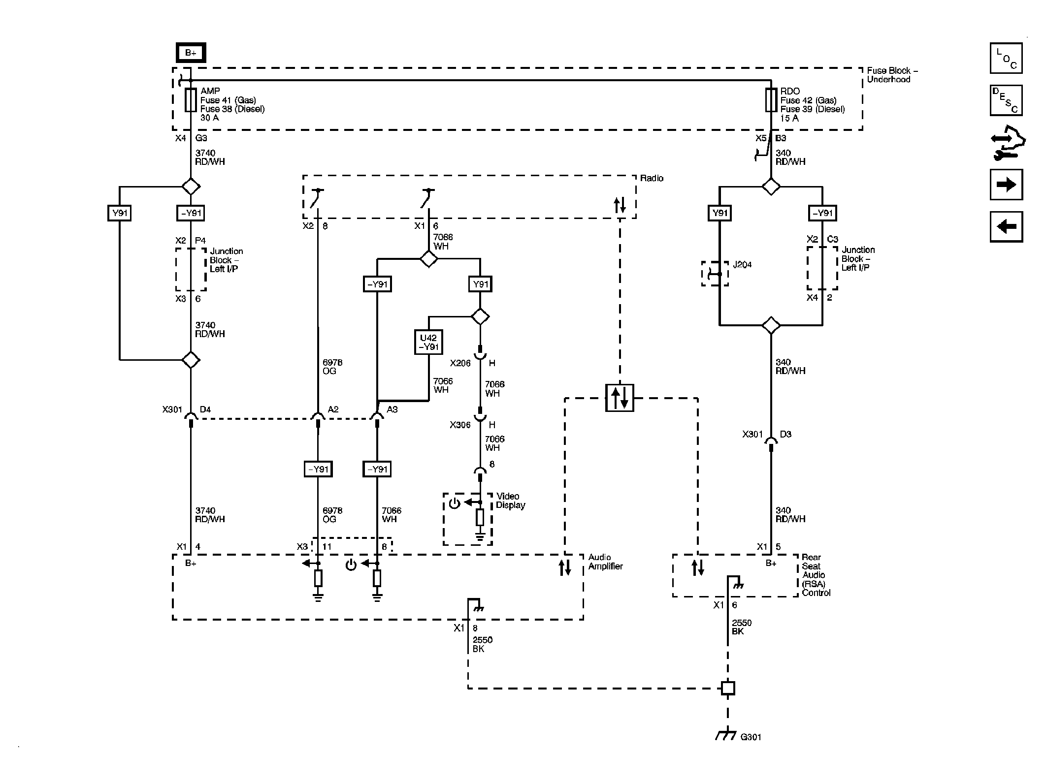
Fig 1: Radio Power, Ground & Serial Data Circuit Schematic
GM2064642Courtesy of GENERAL MOTORS CORP.
Fig 2: Amplifier (UQA) & Rear Seat Audio (UK6) Power, Ground & Serial Data Circuit Schematic
GM2064645Courtesy of GENERAL MOTORS CORP.
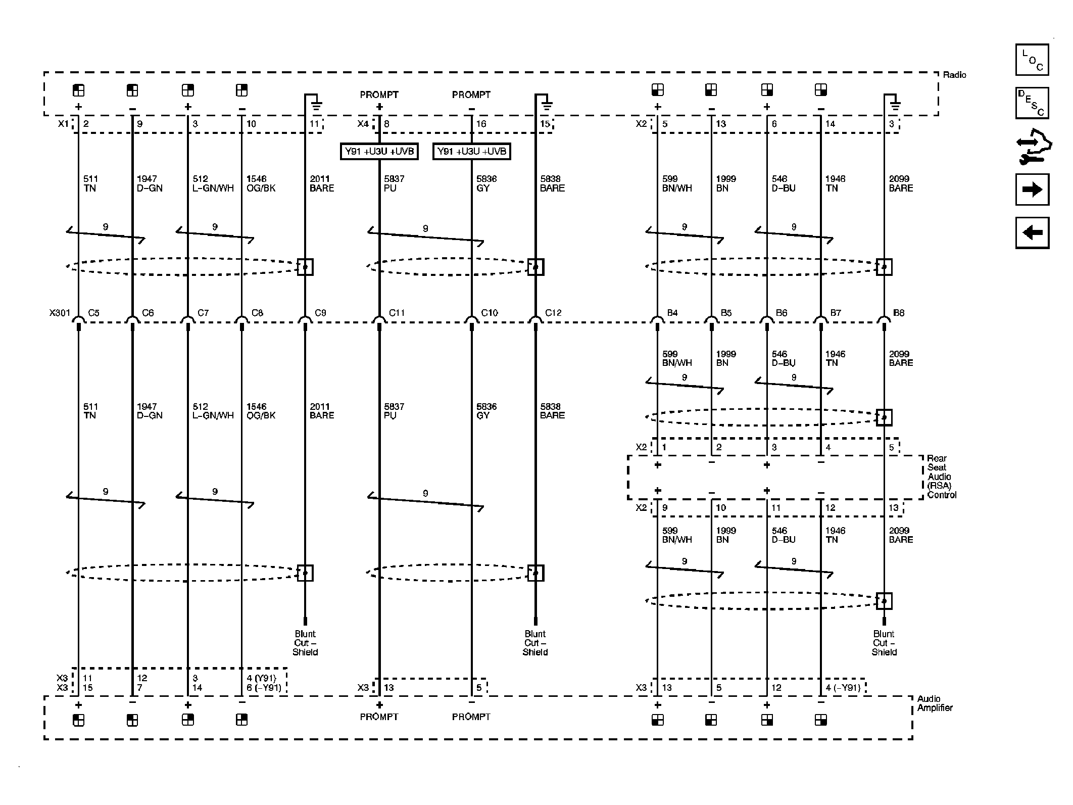
Fig 3: Amplifier Inputs Circuit Schematic (UQA)
GM2064647Courtesy of GENERAL MOTORS CORP.
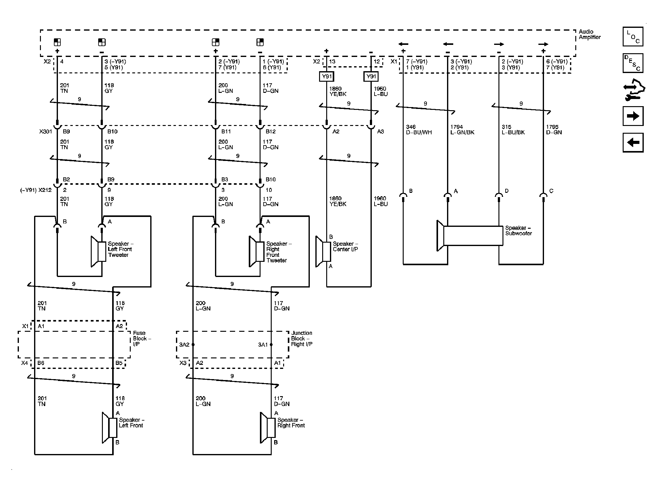
Fig 4: Front Speakers Circuit Schematic (UQ3/UQ5)
GM2064651Courtesy of GENERAL MOTORS CORP.
Fig 5: Rear Speakers Circuit Schematic (UQ3/UQ5)
GM2064655Courtesy of GENERAL MOTORS CORP.
Fig 6: Front Speakers Circuit Schematic (UQA)
GM2064660Courtesy of GENERAL MOTORS CORP.
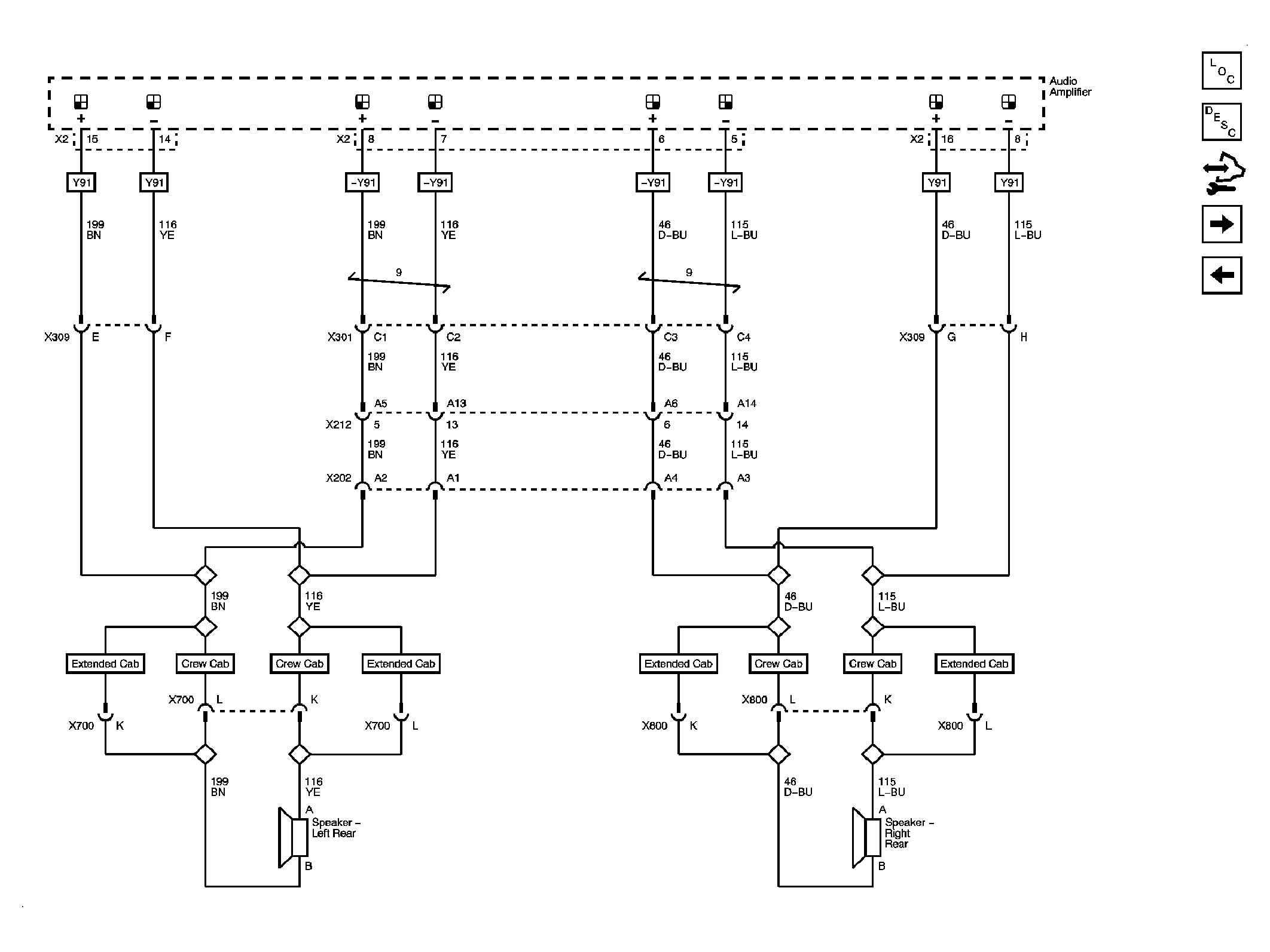
Fig 7: Rear Speakers Circuit Schematic (UQA)
GM2064665Courtesy of GENERAL MOTORS CORP.
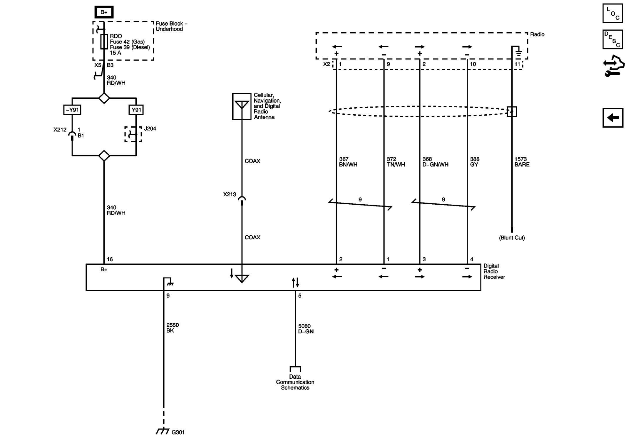
Fig 8: Digital Radio Receiver Circuit Schematic (U2K)
GM2064675Courtesy of GENERAL MOTORS CORP.