LEMON Manuals: Even more car manuals for everyone: 1960-2025
Home >> Cadillac >> 2013 >> Escalade ESV Base, AWD >> Repair and Diagnosis (Single Page) >> Accessories & Equipment >> Anti-Theft Systems >> Power Door Lock System And Release Systems >> Schematic Wiring Diagrams >> Door Control Module Wiring Schematics >> Power, Ground, and Serial Data
April 5, 2026: LEMON Manuals is launched! Read the announcement.

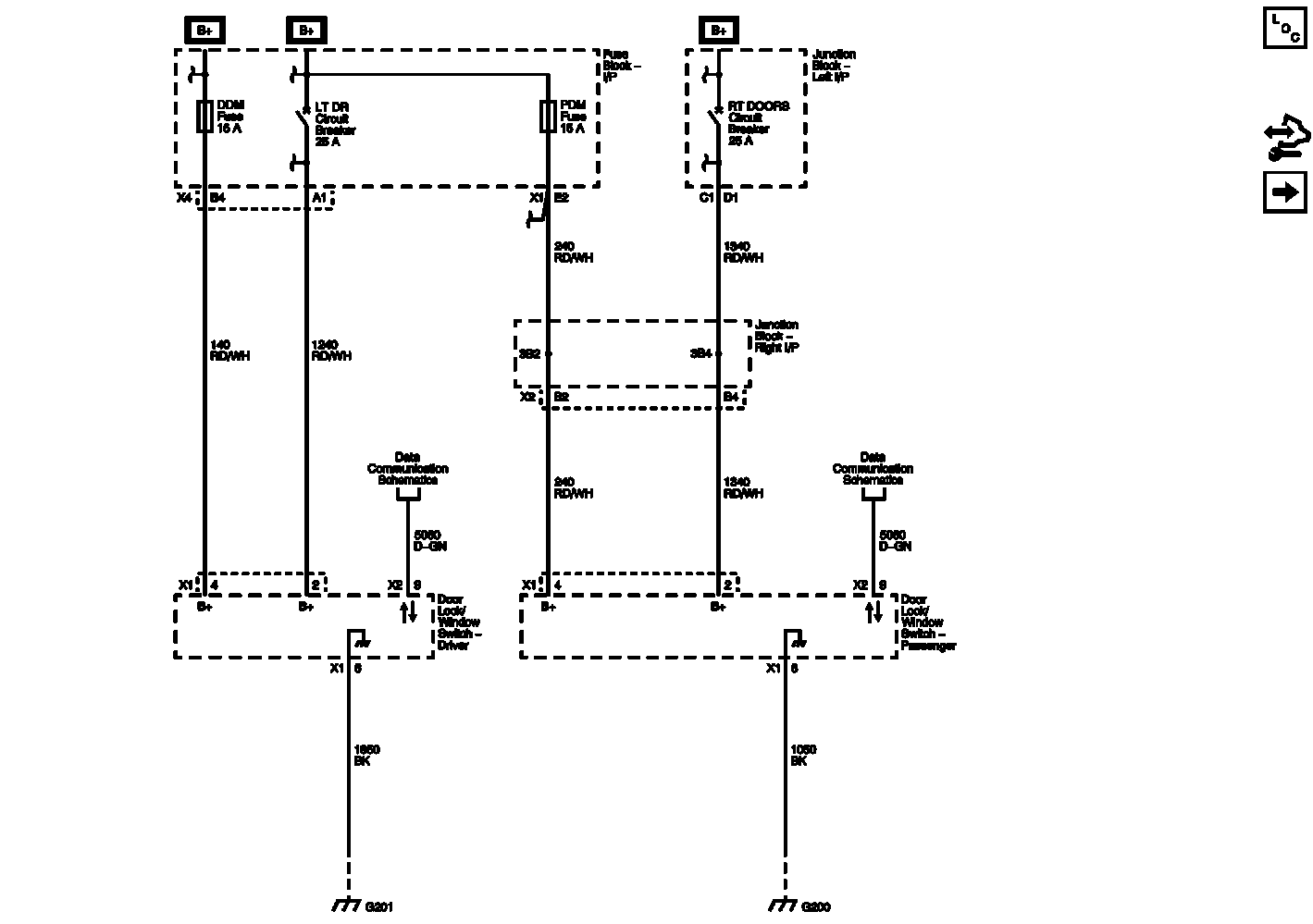
Power, Ground, and Serial Data

Fig 1: Power, Ground, and Serial Data Wiring Schematic
GM2758984Courtesy of GENERAL MOTORS COMPANY