LEMON Manuals: Even more car manuals for everyone: 1960-2025
Home >> Cadillac >> 2013 >> Escalade/ESV AWD V8-6.2L >> Repair and Diagnosis >> Diagrams >> Electrical Diagrams >> Locks >> System Diagram >> Door Control Module Schematics
April 5, 2026: LEMON Manuals is launched! Read the announcement.

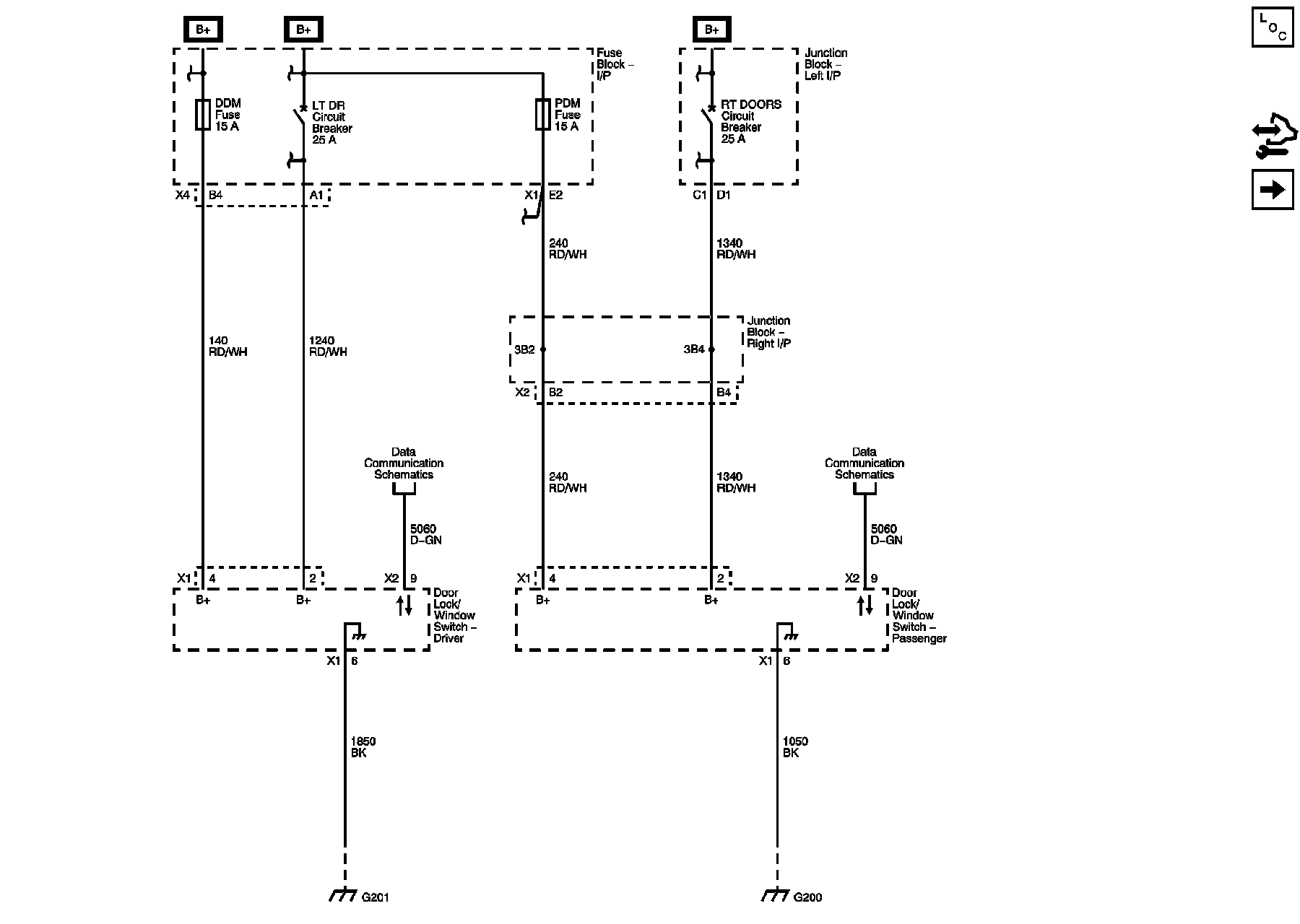
Door Control Module Schematics




Door Control Module Schematics

Power, Ground, and Serial Data





Master Electrical Component List
Control Module References
Link target Object 2653031 does not exist in this publication.
Link target Object 2647506 does not exist in this publication.
Link target Object 2647501 does not exist in this publication.
Link target Object 2647500 does not exist in this publication.
Link target Object 2647543 does not exist in this publication.
Link target Object 2647912 does not exist in this publication.
Link target Object 2647912 does not exist in this publication.
Link target Object 2647847 does not exist in this publication.
Link target Object 2647844 does not exist in this publication.

Outside Rearview Mirror References





Master Electrical Component List
Control Module References
Link target Object 2653032 does not exist in this publication.
Link target Object 2653030 does not exist in this publication.
Link target Object 2653111 does not exist in this publication.
Link target Object 2653027 does not exist in this publication.
Link target Object 2653111 does not exist in this publication.
Link target Object 2653027 does not exist in this publication.
Link target Object 2653028 does not exist in this publication.

Door Lock, Window, and Lighting System References





Master Electrical Component List
Control Module References
Link target Object 2653041 does not exist in this publication.
Link target Object 2653031 does not exist in this publication.
Link target Object 2650611 does not exist in this publication.
Link target Object 2651123 does not exist in this publication.
Link target Object 2651238 does not exist in this publication.
Link target Object 2653021 does not exist in this publication.
Link target Object 2651254 does not exist in this publication.
Link target Object 2653024 does not exist in this publication.
Link target Object 2650611 does not exist in this publication.
Link target Object 2651123 does not exist in this publication.
Link target Object 2651238 does not exist in this publication.
Link target Object 2651254 does not exist in this publication.
Link target Object 2653021 does not exist in this publication.
Link target Object 2653025 does not exist in this publication.

Heated Seat References





Master Electrical Component List
Control Module References
Link target Object 2653032 does not exist in this publication.
Link target Object 2653043 does not exist in this publication.
Link target Object 2653161 does not exist in this publication.
Link target Object 2653162 does not exist in this publication.
Link target Object 2653161 does not exist in this publication.
Link target Object 2653162 does not exist in this publication.