LEMON Manuals: Even more car manuals for everyone: 1960-2025
Home >> Cadillac >> 2013 >> SRX Base >> Repair and Diagnosis >> Accessories & Equipment >> Drivers Assistance Systems - ADAS >> Object Detection System - Park Assist System >> Schematic Wiring Diagrams >> Object Detection Wiring Schematics >> Side Blind Alert (UFG/UFT)
April 5, 2026: LEMON Manuals is launched! Read the announcement.

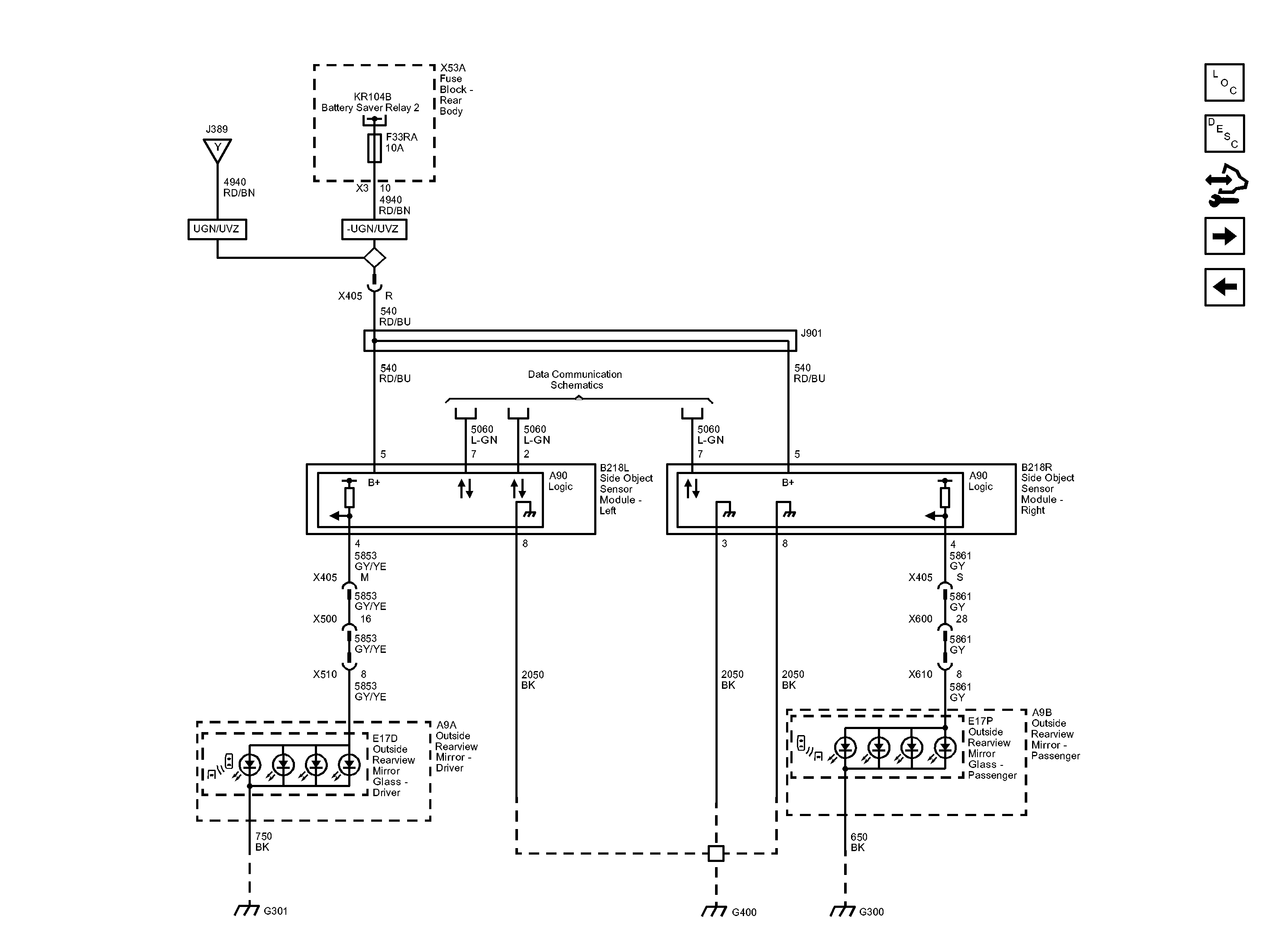
Side Blind Alert (UFG/UFT)

Fig 1: Side Blind Alert Wiring Schematic (UFG/UFT)
GM2873258Courtesy of GENERAL MOTORS COMPANY