LEMON Manuals: Even more car manuals for everyone: 1960-2025
Home >> Cadillac >> 2013 >> SRX Base >> Repair and Diagnosis >> Engine Performance >> System >> Data Communication System >> Schematic Wiring Diagrams >> Data Communication Wiring Schematics >> Communication and Enable Wake-up Circuits
April 5, 2026: LEMON Manuals is launched! Read the announcement.

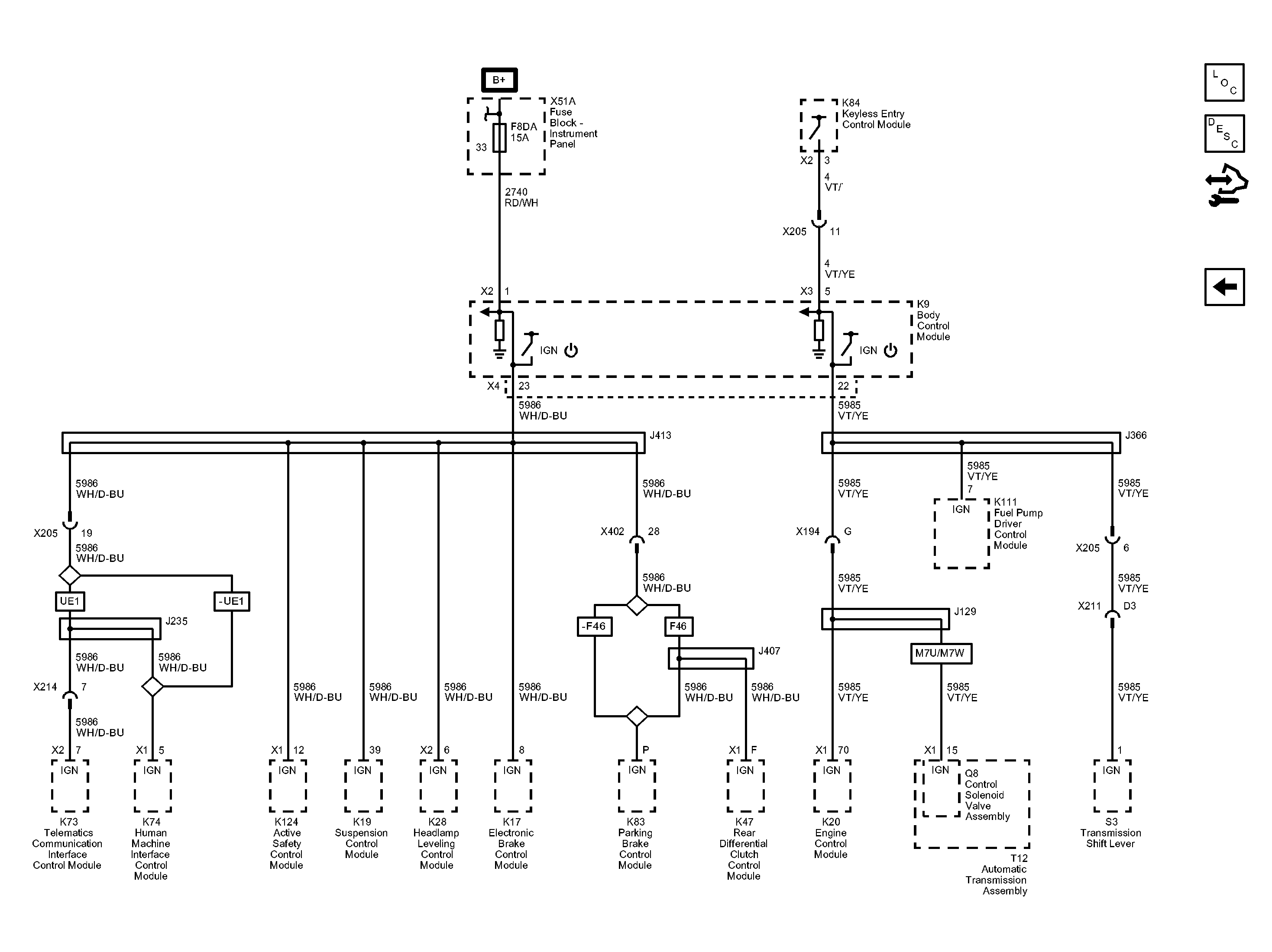
Communication and Enable Wake-up Circuits

Fig 1: Communication and Enable Wake-up Circuits Wiring Schematic
GM2838003Courtesy of GENERAL MOTORS COMPANY