LEMON Manuals: Even more car manuals for everyone: 1960-2025
Home >> Cadillac >> 2013 >> SRX Base >> Repair and Diagnosis >> Engine Performance >> System >> Data Communication System >> Schematic Wiring Diagrams >> Data Communication Wiring Schematics >> Linear Interconnect Network (LIN)
April 5, 2026: LEMON Manuals is launched! Read the announcement.

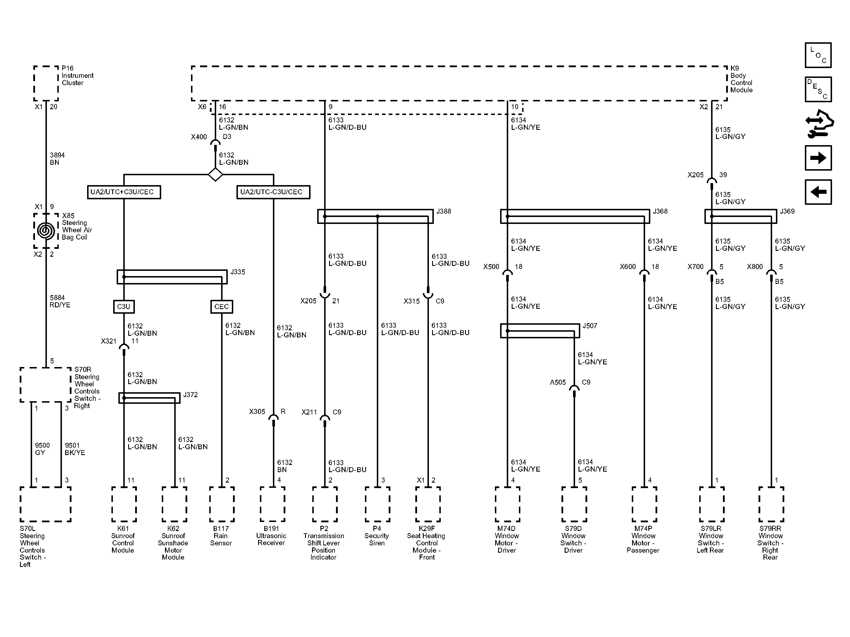
Linear Interconnect Network (LIN)

Fig 1: Linear Interconnect Network Wiring Schematic (LIN)
GM2837997Courtesy of GENERAL MOTORS COMPANY