LEMON Manuals: Even more car manuals for everyone: 1960-2025
Home >> Cadillac >> 2013 >> SRX Base >> Repair and Diagnosis >> External Pages >> Different car >> Section 19 (Data Communication System) >> Schematic and Routing Diagrams >> Data Communication Schematics
April 5, 2026: LEMON Manuals is launched! Read the announcement.

Data Communication Schematics

WARNING: This page is about a different car, the 2010 Cadillac SRX. However, it is still accessible from the selected car via links, so may be relevant.
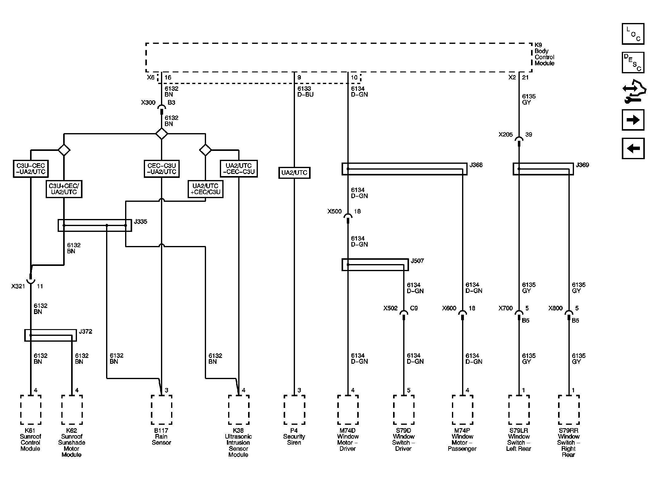
Fig 1: Low Speed GMLAN Circuit Schematic
GM2259490Courtesy of GENERAL MOTORS CORP.
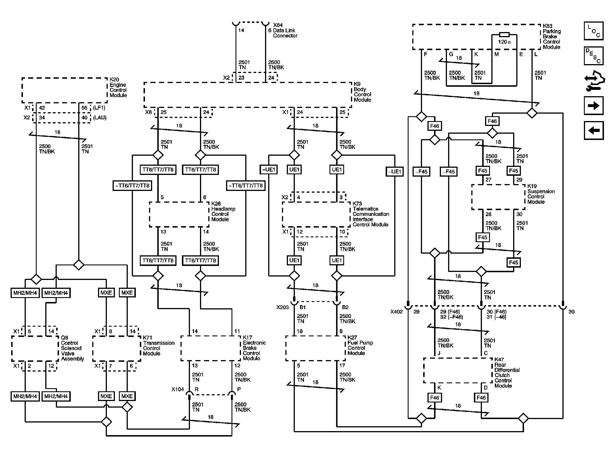
Fig 2: Mid Speed GMLAN Circuit Schematic
GM2260041Courtesy of GENERAL MOTORS CORP.
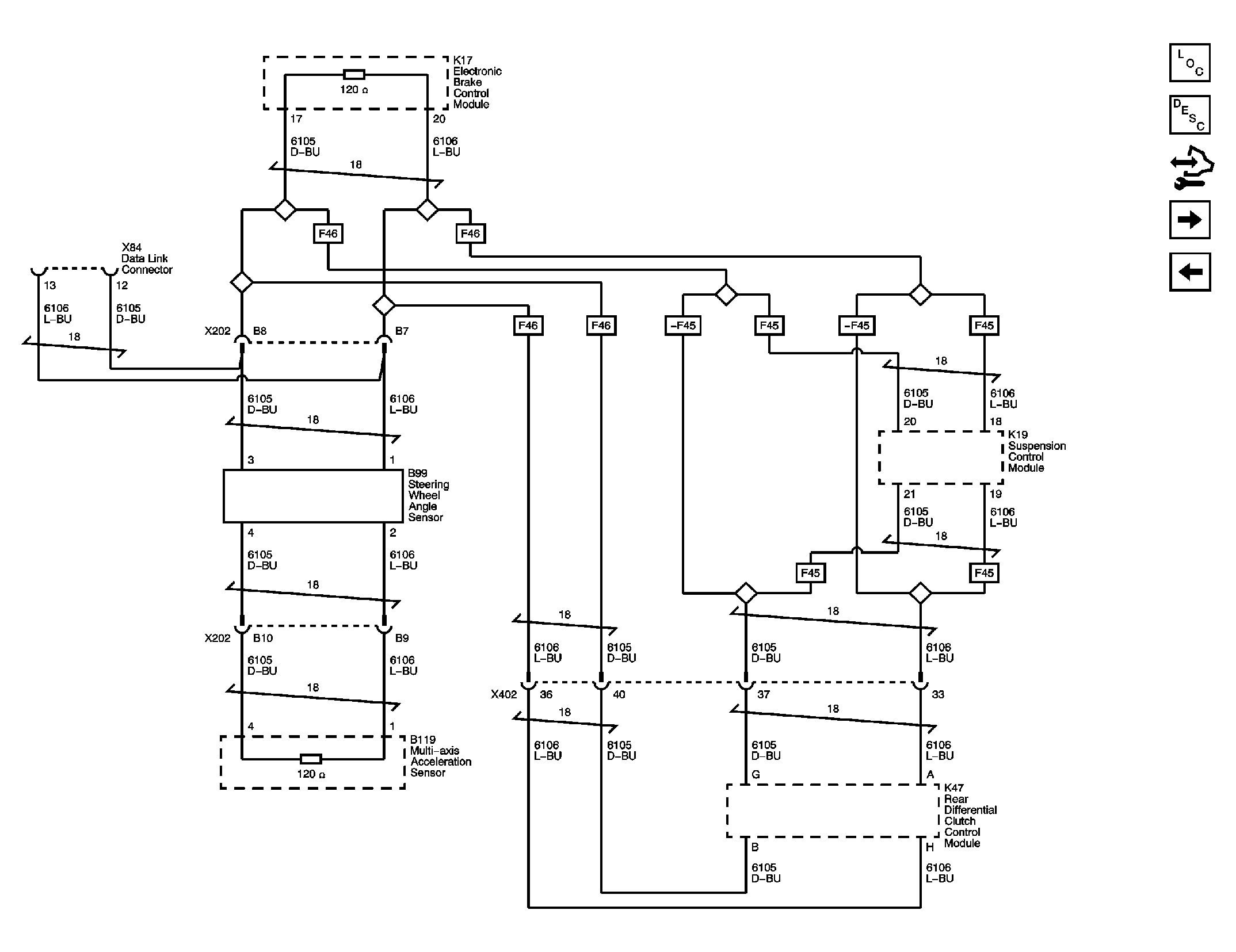
Fig 3: High Speed GMLAN Circuit Schematic
GM2259482Courtesy of GENERAL MOTORS CORP.
Fig 4: Local Interconnect Network (LIN) Bus Circuit Schematic
GM2260044Courtesy of GENERAL MOTORS CORP.
Fig 5: Chassis Expansion BusCircuit Schematic
GM2260056Courtesy of GENERAL MOTORS CORP.
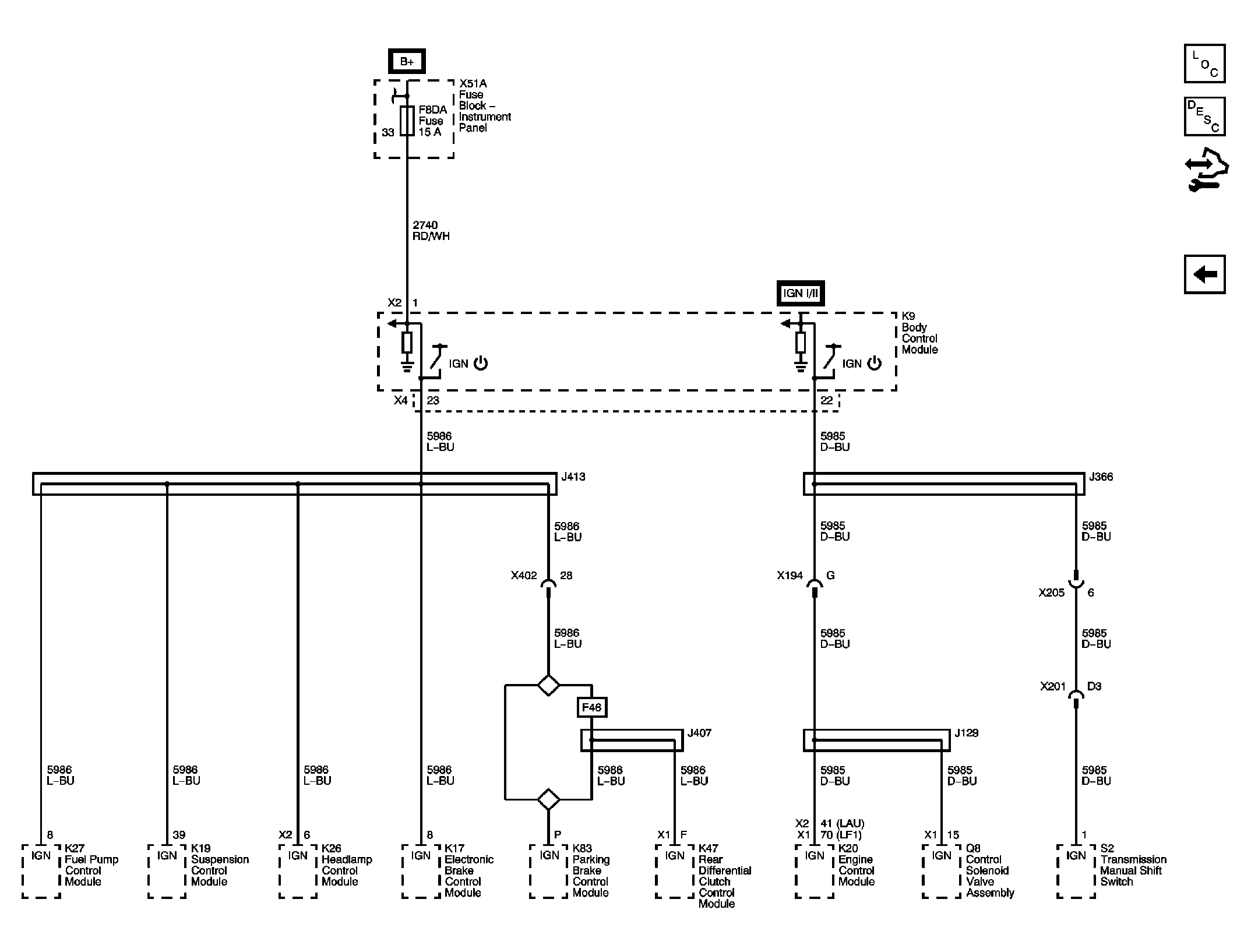
Fig 6: Communication Enable & Wake-up Circuits Schematic
GM2264546Courtesy of GENERAL MOTORS CORP.