LEMON Manuals: Even more car manuals for everyone: 1960-2025
Home >> Cadillac >> 2013 >> SRX Base >> Repair and Diagnosis >> External Pages >> Different car >> Section 210 (Cellular System, Entertainment System, And Navigation System - Schematic Wiring Diagrams) >> Schematic Wiring Diagrams >> Radio/Navigation System Wiring Schematics >> Auxiliary Inputs (NQU)
April 5, 2026: LEMON Manuals is launched! Read the announcement.

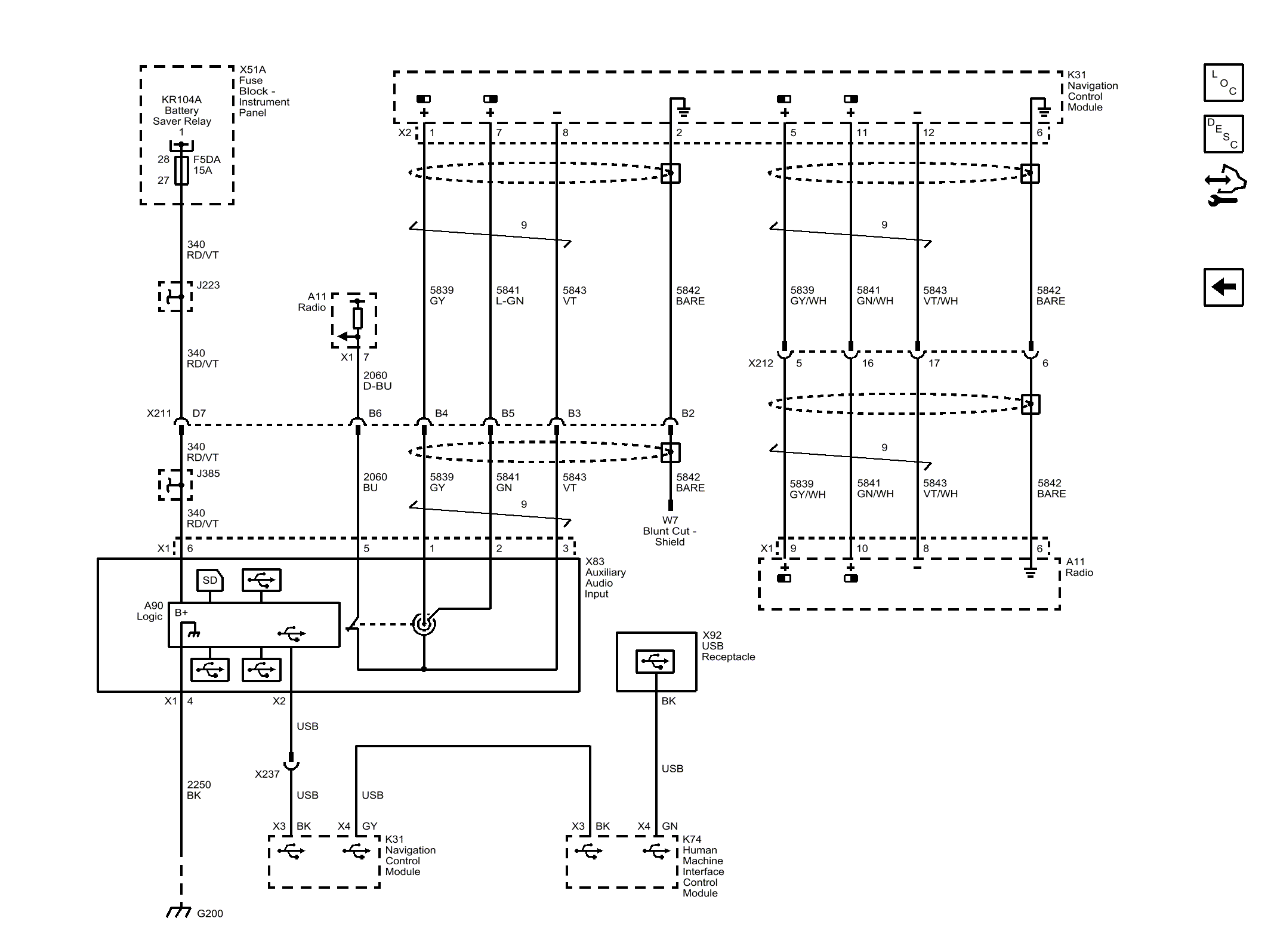
Auxiliary Inputs (NQU)

WARNING: This page is about a different car, the 2015 Cadillac SRX. However, it is still accessible from the selected car via links, so may be relevant.
Fig 1: Auxiliary Inputs (NQU)
GM3779967Courtesy of GENERAL MOTORS COMPANY