LEMON Manuals: Even more car manuals for everyone: 1960-2025
Home >> Cadillac >> 2013 >> SRX Performance, AWD >> Repair and Diagnosis >> External Pages >> Different car >> Section 17 (Cellular Systems, Entertainment Systems & Navigation Systems) >> Schematic and Routing Diagrams >> Cellular Telephone Schematics
April 5, 2026: LEMON Manuals is launched! Read the announcement.

Cellular Telephone Schematics

WARNING: This page is about a different car, the 2010 Cadillac SRX. However, it is still accessible from the selected car via links, so may be relevant.
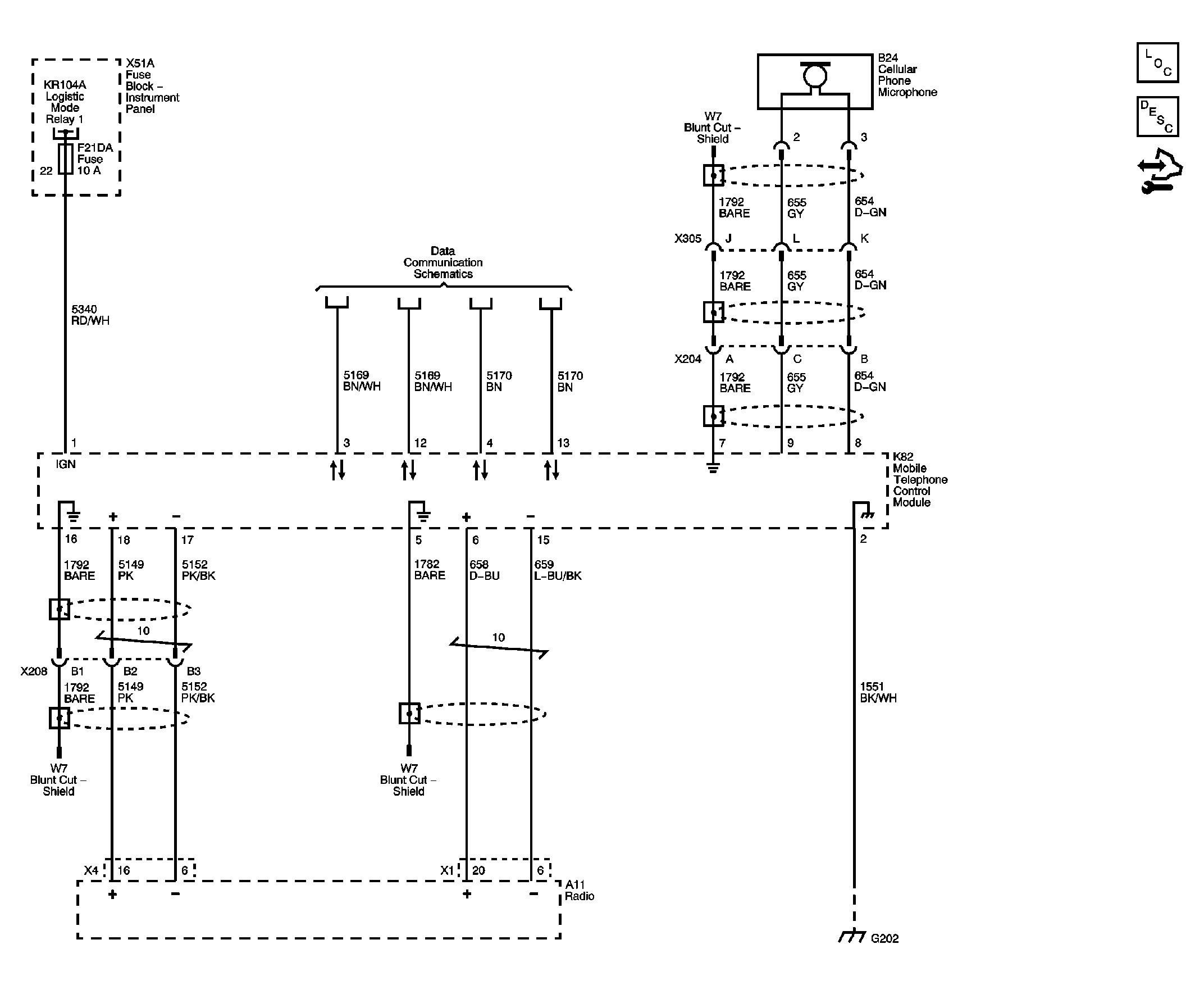
Fig 1: UHP Circuit Schematic
GM2246531Courtesy of GENERAL MOTORS CORP.