LEMON Manuals: Even more car manuals for everyone: 1960-2025
Home >> Cadillac >> 2013 >> XTS AWD >> Repair and Diagnosis (Single Page) >> Accessories & Equipment >> Collision/Avoidance >> Object Detection System - Park Assist System >> Schematic Wiring Diagrams >> Object Detection Wiring Schematics >> Power, Ground, Serial Data, Rear Object Sensors and Control (UD5/UD7)
April 5, 2026: LEMON Manuals is launched! Read the announcement.

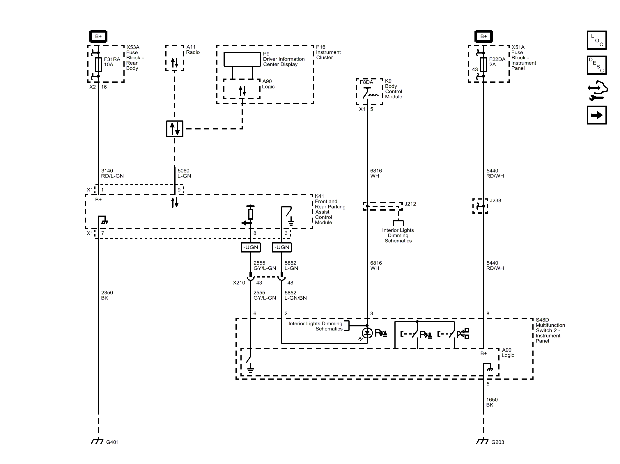
Power, Ground, Serial Data, Rear Object Sensors and Control (UD5/UD7)

Fig 1: Power, Ground, Serial Data, Rear Object Sensors and Control Wiring Schematic (UD5/UD7)
GM2770612Courtesy of GENERAL MOTORS COMPANY