LEMON Manuals: Even more car manuals for everyone: 1960-2025
Home >> Cadillac >> 2013 >> XTS AWD >> Repair and Diagnosis (Single Page) >> Accessories & Equipment >> Entertainment Systems >> Cellular System, Entertainment System, And Navigation System >> Schematic Wiring Diagrams >> Radio/Navigation System Wiring Schematics >> Auxiliary Inputs
April 5, 2026: LEMON Manuals is launched! Read the announcement.

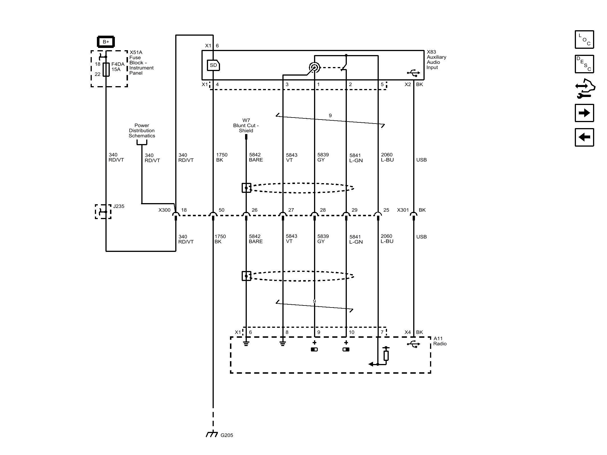
Auxiliary Inputs

Fig 1: Auxiliary Inputs Wiring Schematic
GM2769080Courtesy of GENERAL MOTORS COMPANY