LEMON Manuals: Even more car manuals for everyone: 1960-2025
Home >> Cadillac >> 2013 >> XTS AWD >> Repair and Diagnosis (Single Page) >> Transmission >> Automatic Trans >> Shift Lock Control System >> Schematic Wiring Diagrams >> Shift Lock Control Wiring Schematics >> Shift Lock Control
April 5, 2026: LEMON Manuals is launched! Read the announcement.

Shift Lock Control

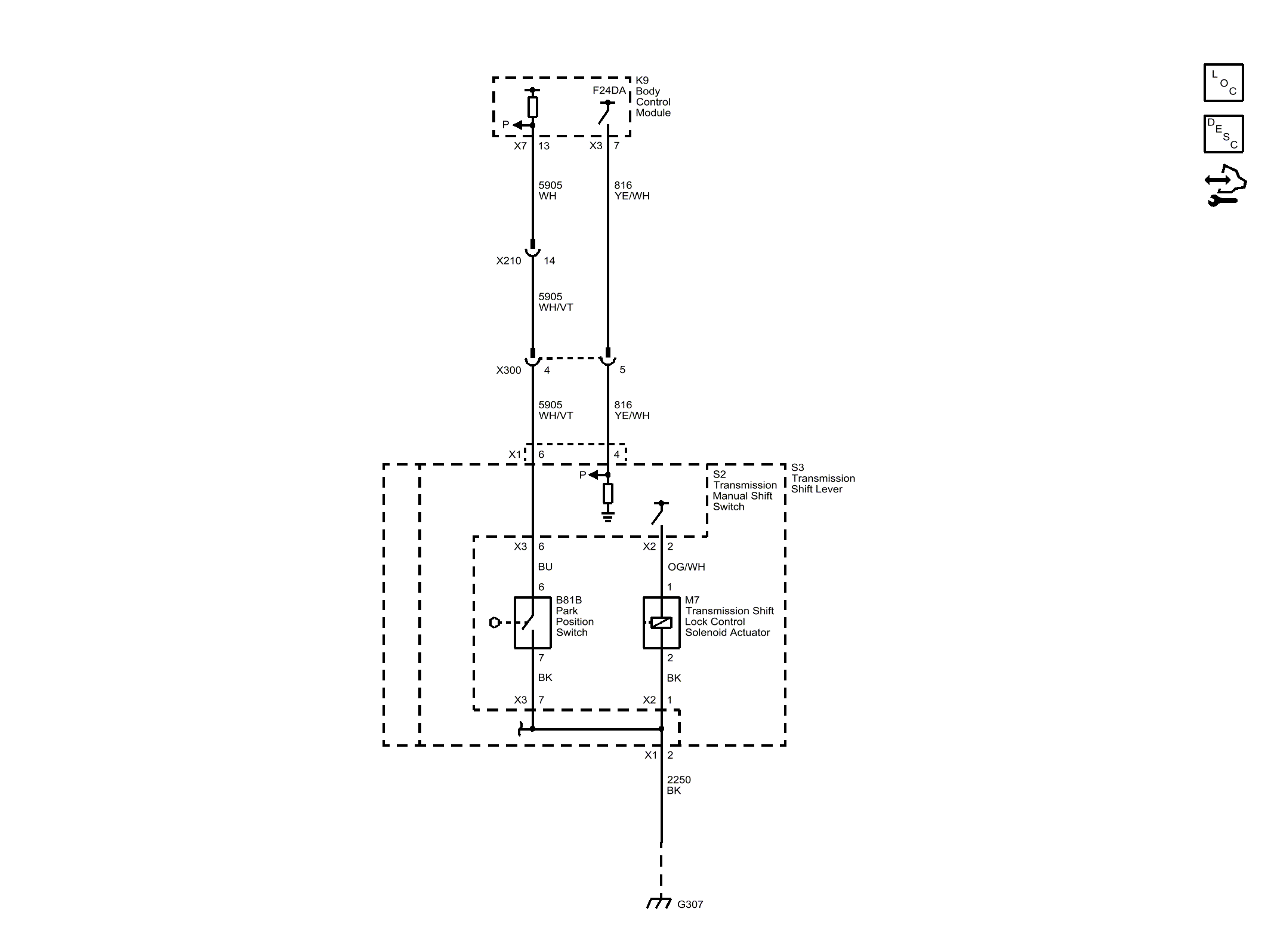
Fig 1: Shift Lock Control Wiring Schematic
GM2771015Courtesy of GENERAL MOTORS COMPANY