LEMON Manuals: Even more car manuals for everyone: 1960-2025
Home >> Cadillac >> 2013 >> XTS FWD, Trans Mfr CD 6T70/M7W >> Repair and Diagnosis >> External Pages >> Different car >> Section 171 (Object Detection System) >> Schematic Wiring Diagrams >> Object Detection Wiring Schematics >> Power, Ground, and Rear Sensors (UD5)
April 5, 2026: LEMON Manuals is launched! Read the announcement.

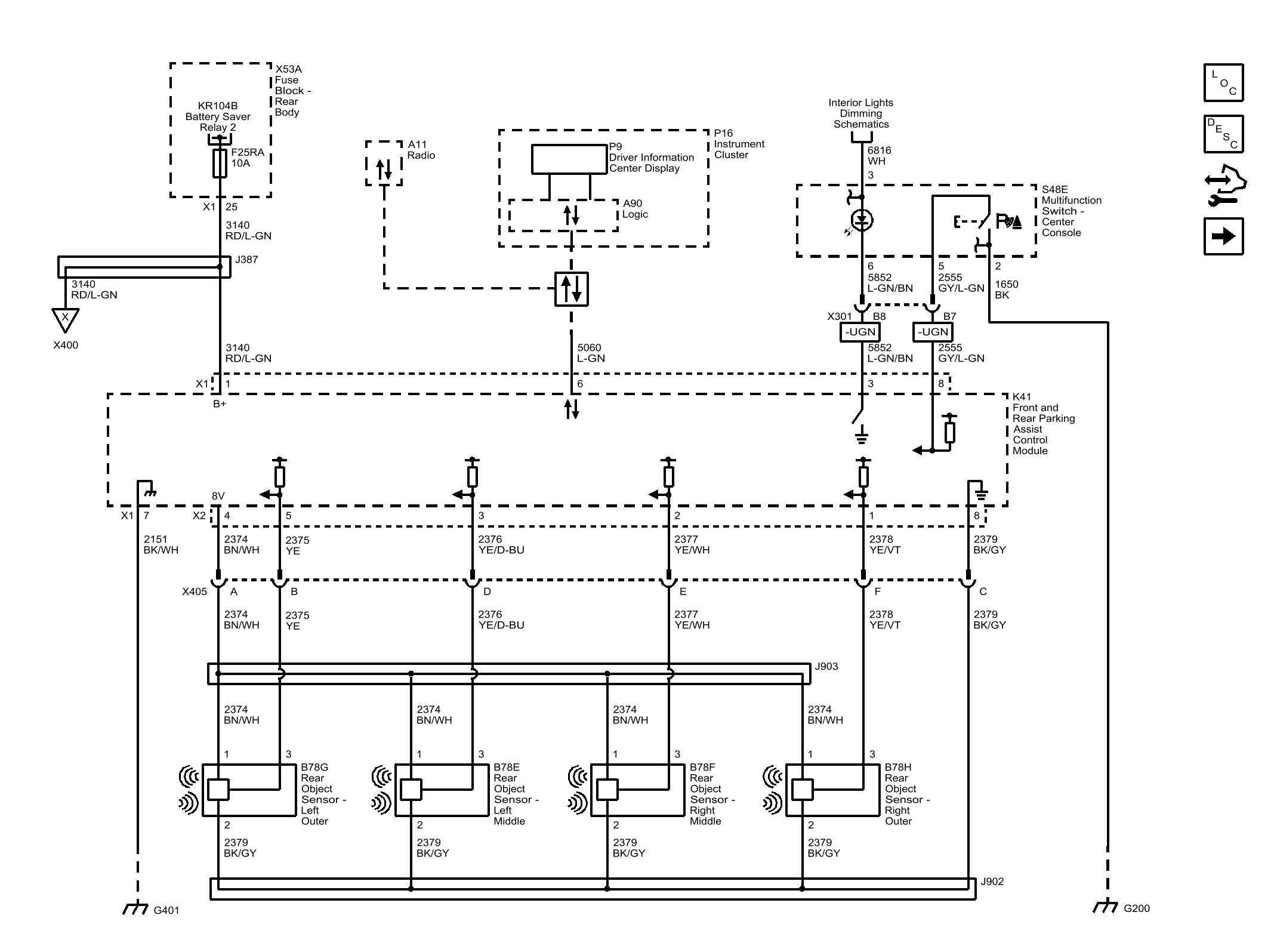
Power, Ground, and Rear Sensors (UD5)

WARNING: This page is about a different car, the 2015 Cadillac SRX. However, it is still accessible from the selected car via links, so may be relevant.
Fig 1: Power, Ground, and Rear Sensors (UD5)
GM3755224Courtesy of GENERAL MOTORS COMPANY