LEMON Manuals: Even more car manuals for everyone: 1960-2025
Home >> Cadillac >> 2013 >> XTS FWD, Trans Mfr CD 6T75/M7V >> Repair and Diagnosis >> External Pages >> Different car >> Section 210 (Cellular System, Entertainment System, And Navigation System - Schematic Wiring Diagrams) >> Schematic Wiring Diagrams >> Video System Wiring Schematics >> Video Inputs (UWG)
April 5, 2026: LEMON Manuals is launched! Read the announcement.

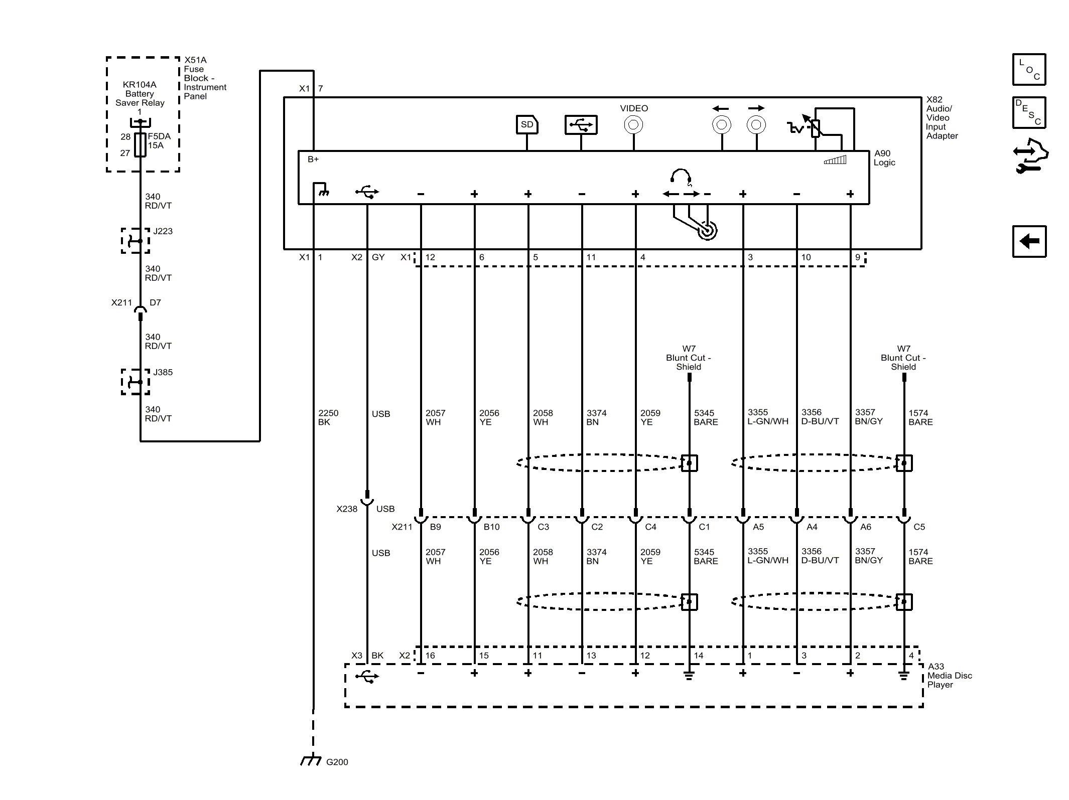
Video Inputs (UWG)

WARNING: This page is about a different car, the 2015 Cadillac SRX. However, it is still accessible from the selected car via links, so may be relevant.
Fig 1: Video Inputs (UWG)
GM3754774Courtesy of GENERAL MOTORS COMPANY