LEMON Manuals: Even more car manuals for everyone: 1960-2025
Home >> Cadillac >> 2014 >> CTS Base, 2D Coupe, AWD >> Repair and Diagnosis >> External Pages >> Different car >> Section 107 (Cellular System, Entertainment System, And Navigation System) >> Schematic Wiring Diagrams >> Radio/Navigation System Wiring Schematics >> Power, Ground, Controls and Serial Data (UYE)
April 5, 2026: LEMON Manuals is launched! Read the announcement.

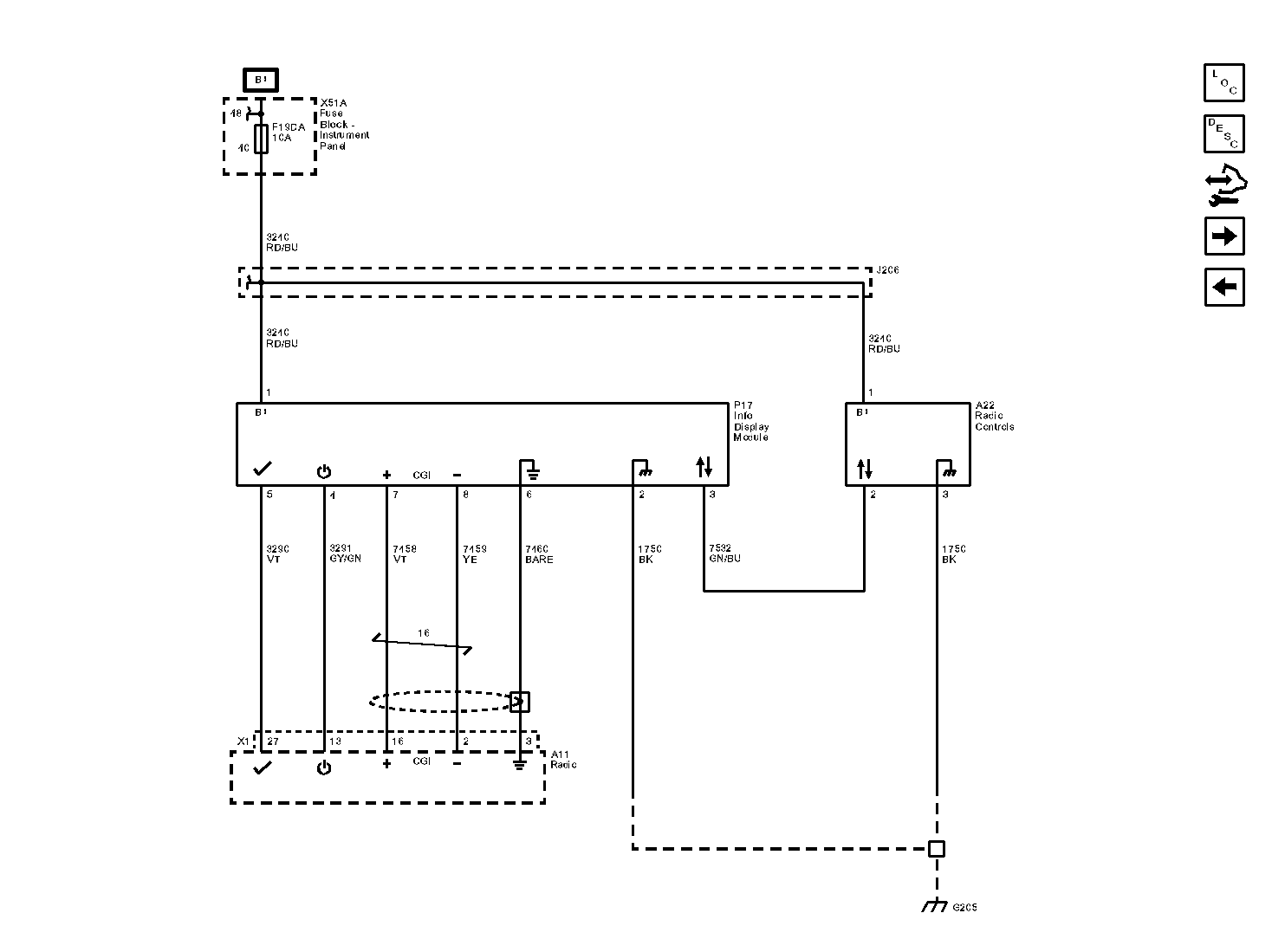
Power, Ground, Controls and Serial Data (UYE)

WARNING: This page is about a different car, the 2014 Chevrolet Malibu. However, it is still accessible from the selected car via links, so may be relevant.
Fig 1: Power, Ground, Controls and Serial Data Wiring Schematic (UYE)
GM3419920Courtesy of GENERAL MOTORS COMPANY