LEMON Manuals: Even more car manuals for everyone: 1960-2025
Home >> Cadillac >> 2014 >> CTS Base, 2D Coupe, AWD >> Repair and Diagnosis >> External Pages >> Different car >> Section 149 (Object Detection System) >> Schematic Wiring Diagrams >> Object Detection Wiring Schematics >> Rearview Camera (UVC)
April 5, 2026: LEMON Manuals is launched! Read the announcement.

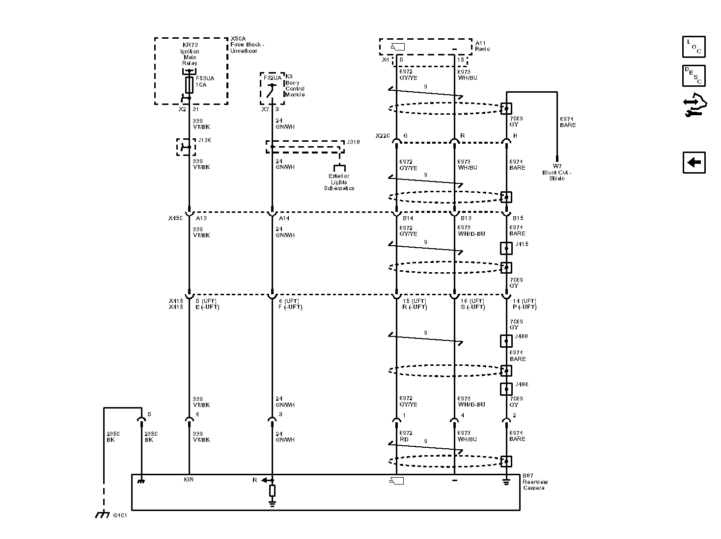
Rearview Camera (UVC)

WARNING: This page is about a different car, the 2014 Chevrolet Malibu. However, it is still accessible from the selected car via links, so may be relevant.
Fig 1: Rearview Camera Wiring Schematic (UVC)
GM3420115Courtesy of GENERAL MOTORS COMPANY