LEMON Manuals: Even more car manuals for everyone: 1960-2025
Home >> Cadillac >> 2014 >> CTS Vsport >> Repair and Diagnosis >> External Pages >> Different variant/trim >> Section 86 (Object Detection System And Pedestrian Protection System - Coupe And Wagon) >> Schematic Wiring Diagrams >> Object Detection Wiring Schematics >> Rearview Camera (UVC
April 5, 2026: LEMON Manuals is launched! Read the announcement.

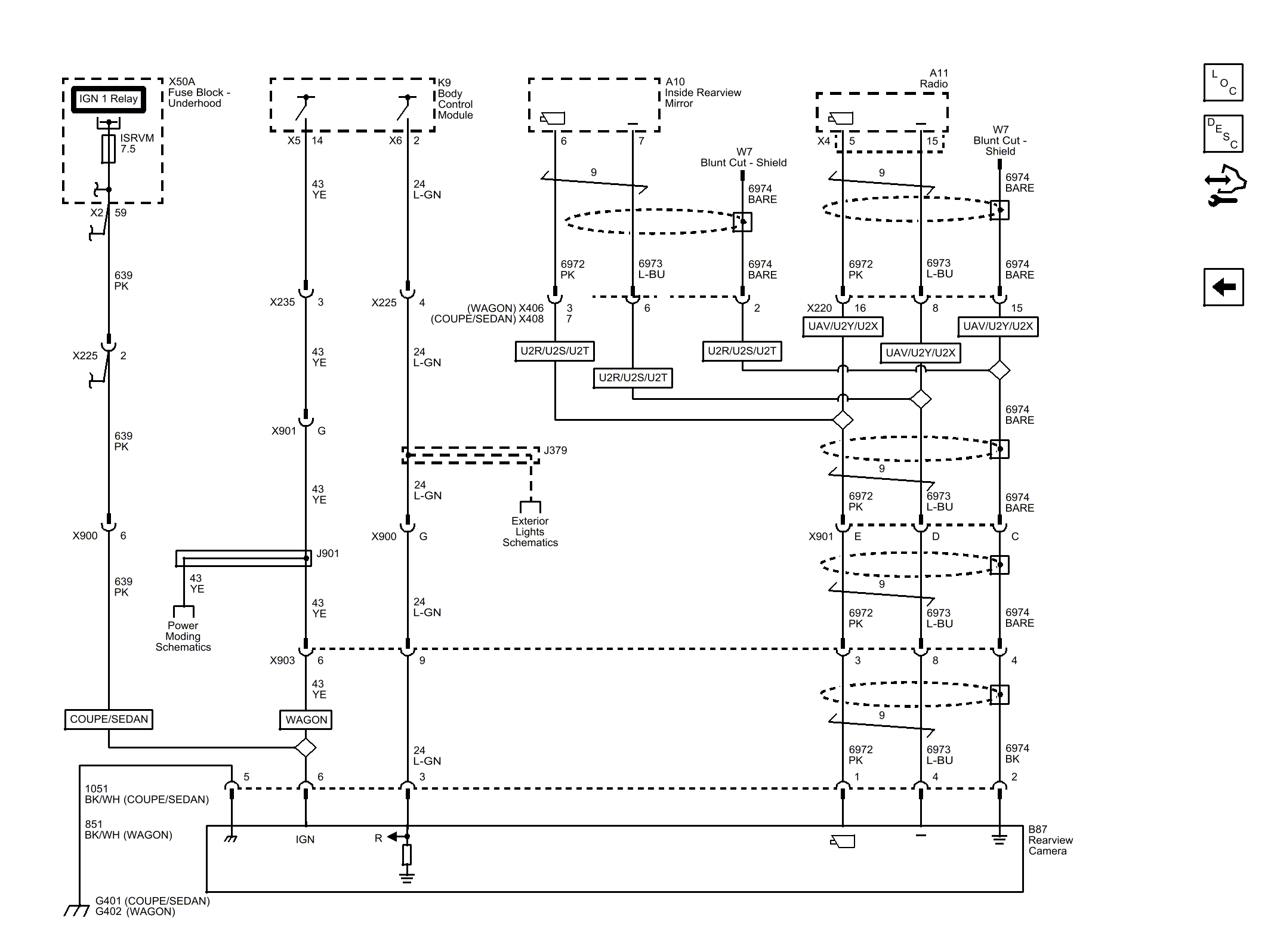
Rearview Camera (UVC

WARNING: This page is about a different variant/trim than selected.
Fig 1: Rearview Camera (UVC
GM3344882Courtesy of GENERAL MOTORS COMPANY