LEMON Manuals: Even more car manuals for everyone: 1960-2025
Home >> Cadillac >> 2014 >> Escalade ESV Base, AWD >> Repair and Diagnosis >> Accessories & Equipment >> Drivers Assistance Systems - ADAS >> Object Detection System >> Schematic Wiring Diagrams >> Object Detection Wiring Schematics >> SPO Accessory Rear Vision Camera
April 5, 2026: LEMON Manuals is launched! Read the announcement.

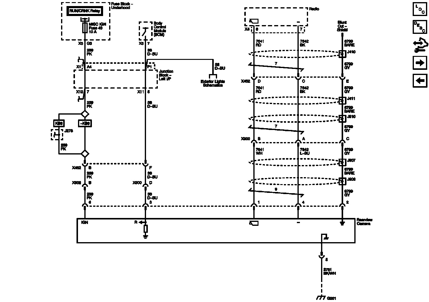
SPO Accessory Rear Vision Camera

Fig 1: SPO Accessory Rear Vision Camera Wiring Schematic
GM2761969Courtesy of GENERAL MOTORS COMPANY