LEMON Manuals: Even more car manuals for everyone: 1960-2025
Home >> Cadillac >> 2014 >> Escalade ESV Base, AWD >> Repair and Diagnosis >> Engine Performance >> System >> Data Communication System >> Schematic Wiring Diagrams >> Data Communication Wiring Schematics >> Serial Data Communication Enable and Wake-up Circuits
April 5, 2026: LEMON Manuals is launched! Read the announcement.

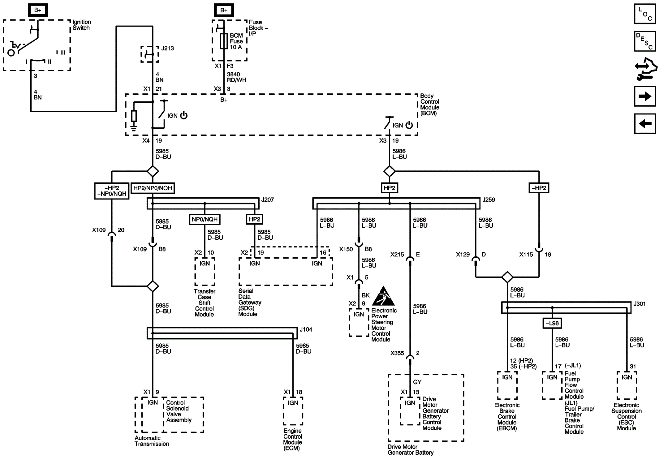
Serial Data Communication Enable and Wake-up Circuits

Fig 1: Serial Data Communication Enable and Wake-up Circuits
GM2761639Courtesy of GENERAL MOTORS COMPANY