LEMON Manuals: Even more car manuals for everyone: 1960-2025
Home >> Cadillac >> 2014 >> SRX Base >> Repair and Diagnosis (Single Page) >> Accessories & Equipment >> Infotainment >> Cellular System, Entertainment System, And Navigation System >> Schematic Wiring Diagrams >> Radio/Navigation System Wiring Schematics >> Radio, Amplifier, and Multimedia Player Interface Module Power, Ground and Data Communication
April 5, 2026: LEMON Manuals is launched! Read the announcement.

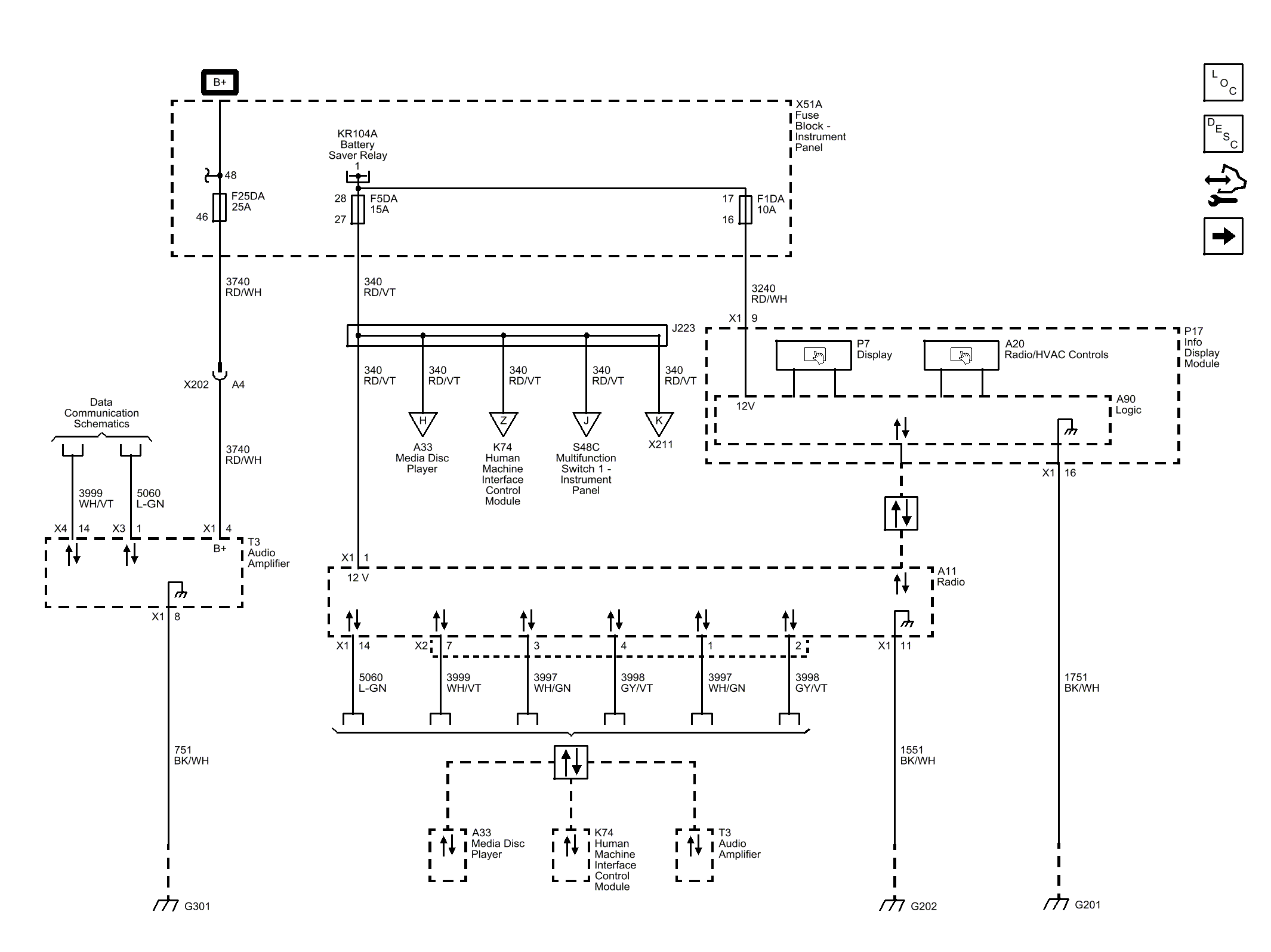
Radio, Amplifier, and Multimedia Player Interface Module Power, Ground and Data Communication

Fig 1: Radio, Amplifier, and Multimedia Player Interface Module Power, Ground and Data Communication Wiring Schematic
GM3412674Courtesy of GENERAL MOTORS COMPANY