LEMON Manuals: Even more car manuals for everyone: 1960-2025
Home >> Cadillac >> 2014 >> SRX Base >> Repair and Diagnosis >> Accessories & Equipment >> Drivers Assistance Systems - ADAS >> Object Detection System >> Schematic Wiring Diagrams >> Object Detection Wiring Schematics >> Radar Sensors and Control (UGN/UVZ)
April 5, 2026: LEMON Manuals is launched! Read the announcement.

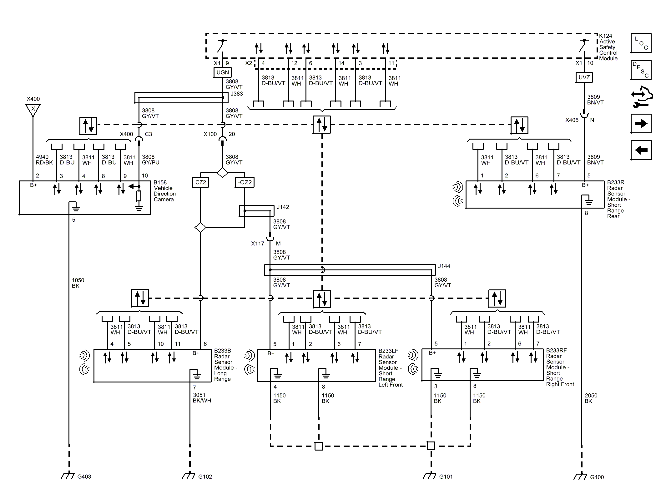
Radar Sensors and Control (UGN/UVZ)

Fig 1: Radar Sensors and Control Wiring Schematic (UGN/UVZ)
GM3412882Courtesy of GENERAL MOTORS COMPANY