LEMON Manuals: Even more car manuals for everyone: 1960-2025
Home >> Cadillac >> 2014 >> SRX Base >> Repair and Diagnosis >> Accessories & Equipment >> Entertainment Systems >> Cellular System, Entertainment System, And Navigation System >> Schematic Wiring Diagrams >> Radio/Navigation System Wiring Schematics >> Auxiliary Inputs (NQU)
April 5, 2026: LEMON Manuals is launched! Read the announcement.

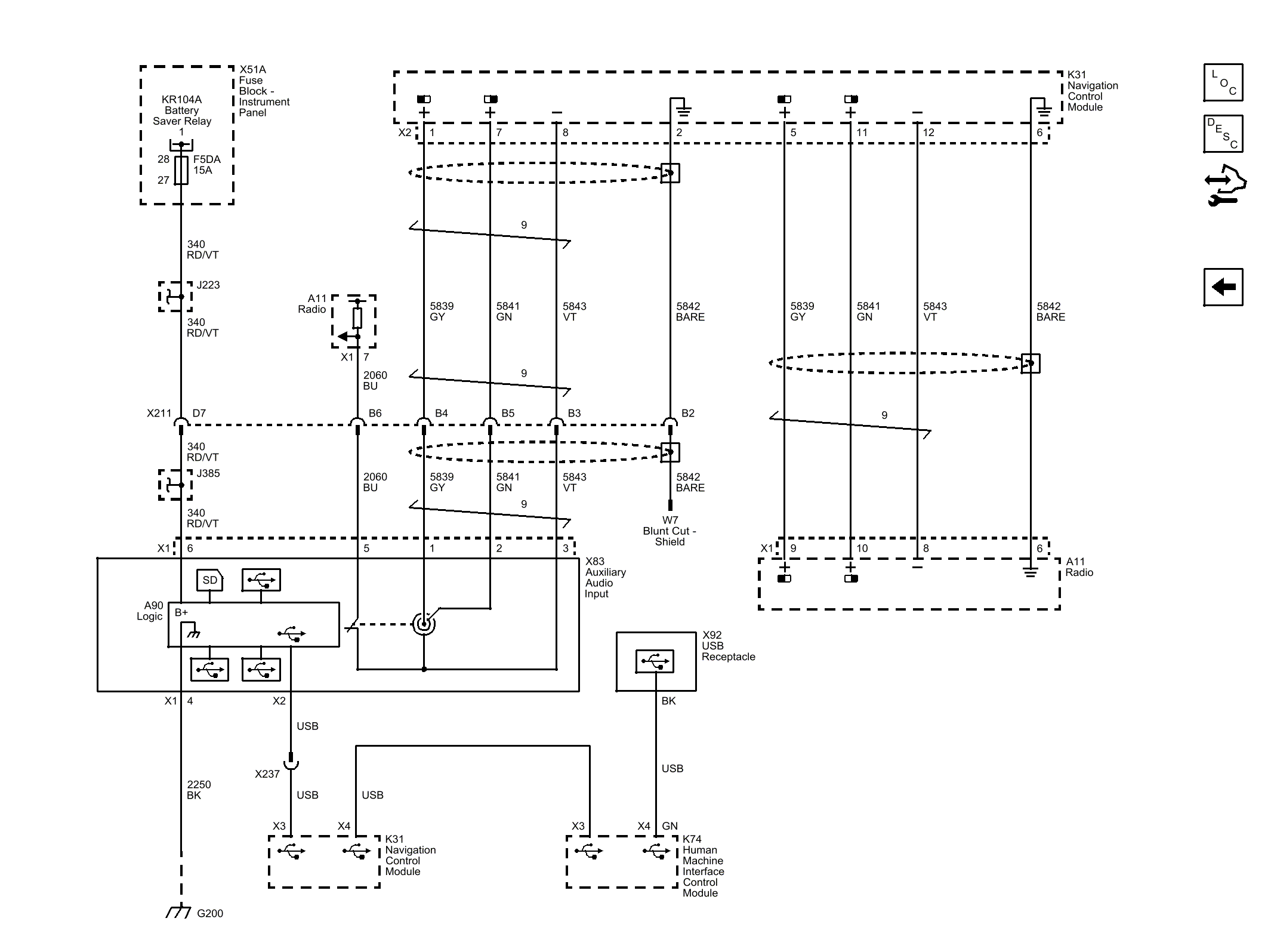
Auxiliary Inputs (NQU)

Fig 1: Auxiliary Inputs Wiring Schematic (NQU)
GM3457435Courtesy of GENERAL MOTORS COMPANY