LEMON Manuals
: Even more car manuals for everyone: 1960-2025
Home
>>
Cadillac
>>
2014
>>
XTS Base
>>
Repair and Diagnosis
>>
External Pages
>>
Different car
>>
Section 25 (Cellular System, Entertainment System, And Navigation System)
>>
Schematic Wiring Diagrams
>>
Radio/Navigation System Wiring Schematics
>>
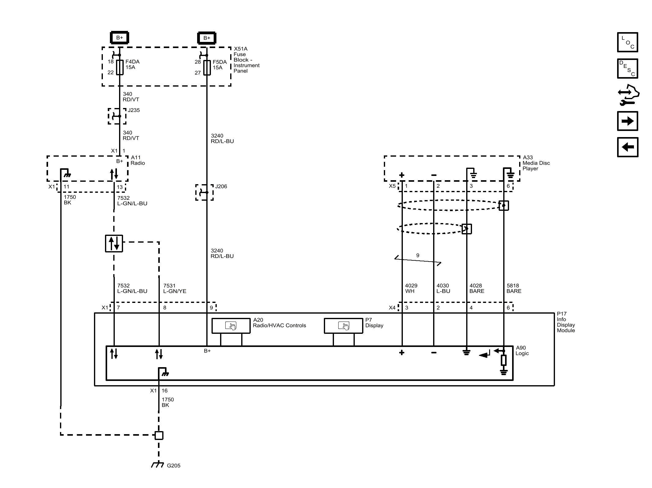
Information Display
April 5, 2026:
LEMON Manuals is launched!
Read the announcement.
Information Display
WARNING:
This page is about a different car, the 2013 Cadillac XTS. However, it is still accessible from the selected car via links, so may be relevant.
Fig 1: Information Display Wiring Schematic
Courtesy of GENERAL MOTORS COMPANY