LEMON Manuals: Even more car manuals for everyone: 1960-2025
Home >> Cadillac >> 2014 >> XTS Base >> Repair and Diagnosis >> External Pages >> Different car >> Section 25 (Cellular System, Entertainment System, And Navigation System) >> Schematic Wiring Diagrams >> Video System Wiring Schematics >> Media Disc Player Signals (2 of 2)
April 5, 2026: LEMON Manuals is launched! Read the announcement.

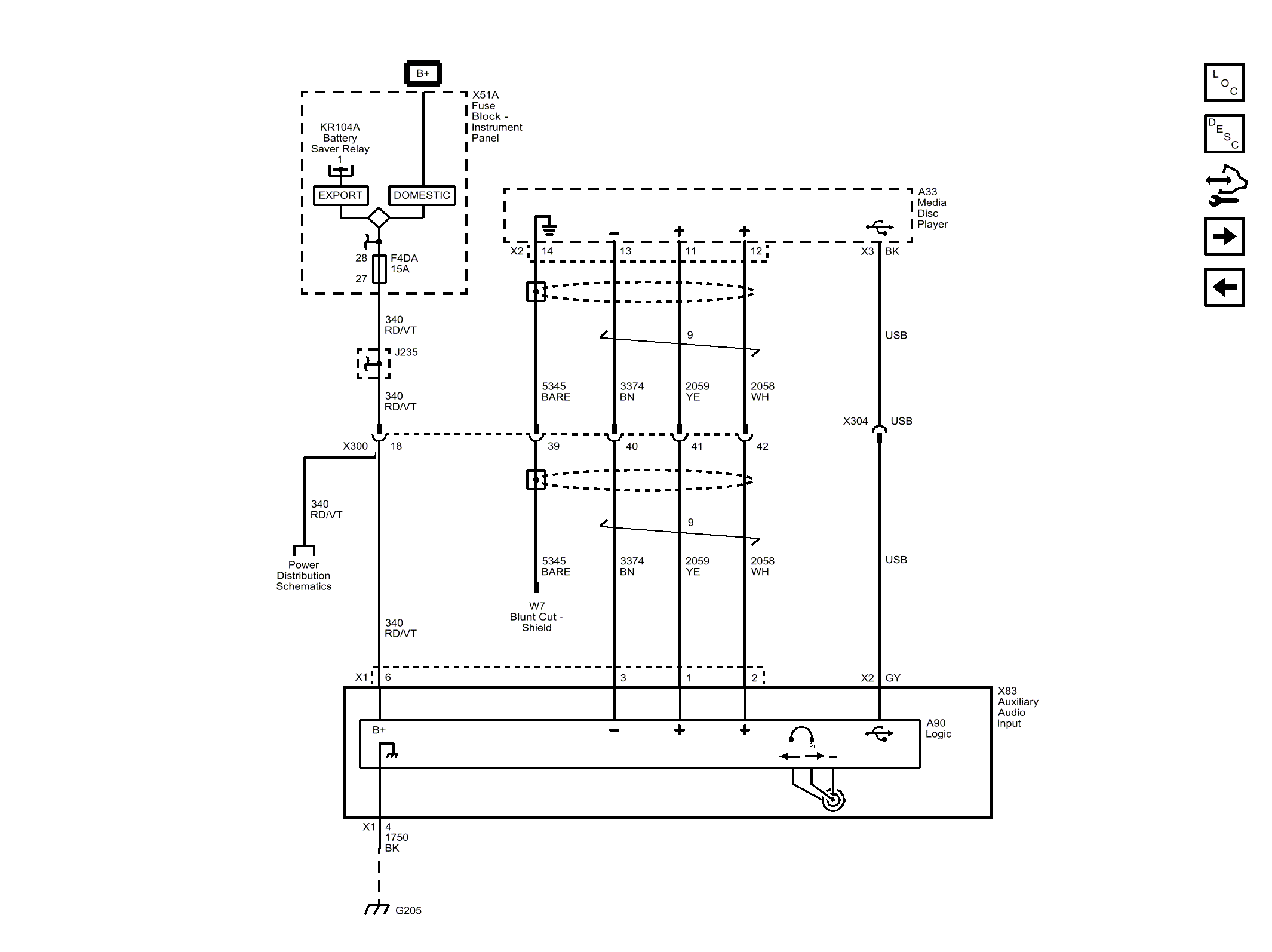
Media Disc Player Signals (2 of 2)

WARNING: This page is about a different car, the 2013 Cadillac XTS. However, it is still accessible from the selected car via links, so may be relevant.
Fig 1: Media Disc Player Signals Wiring Schematic (2 of 2)
GM2769500Courtesy of GENERAL MOTORS COMPANY