LEMON Manuals: Even more car manuals for everyone: 1960-2025
Home >> Cadillac >> 2015 >> ATS Base, 2D Coupe, AWD >> Repair and Diagnosis >> External Pages >> Different car >> Section 75 (Cellular System, Entertainment System, And Navigation System) >> Schematic Wiring Diagrams >> Radio/Navigation System Wiring Schematics >> Multimedia Player Interface (KTA)
April 5, 2026: LEMON Manuals is launched! Read the announcement.

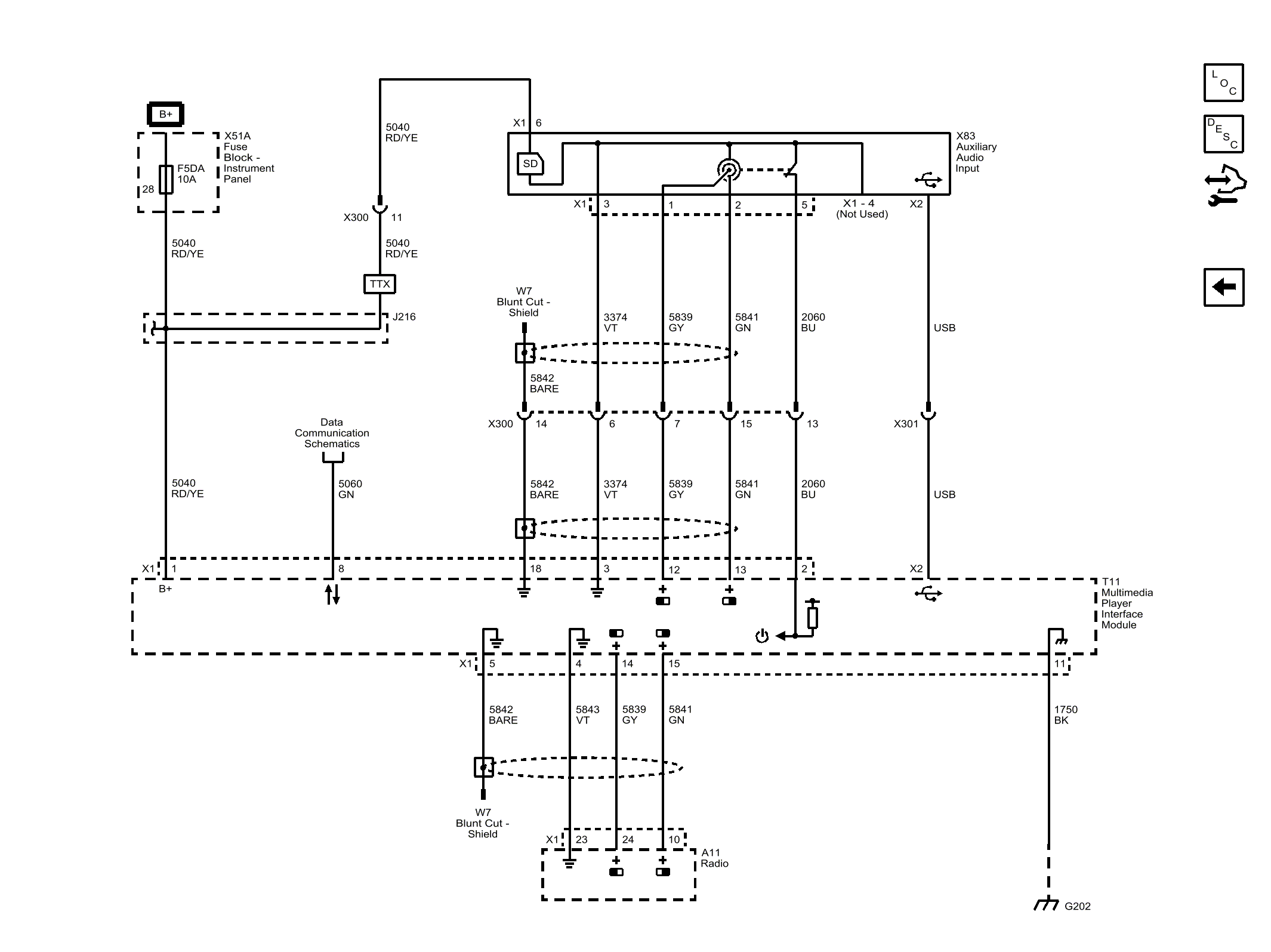
Multimedia Player Interface (KTA)

WARNING: This page is about a different car, the 2015 Buick Verano. However, it is still accessible from the selected car via links, so may be relevant.
Fig 1: Multimedia Player Interface (KTA)
GM3802015Courtesy of GENERAL MOTORS COMPANY