LEMON Manuals: Even more car manuals for everyone: 1960-2025
Home >> Cadillac >> 2015 >> ATS Base, 2D Coupe, AWD >> Repair and Diagnosis >> Transmission >> Automatic Trans >> Shift Lock Control System >> Schematic Wiring Diagrams >> Shift Lock Control Wiring Schematics >> Shift Lock Control (MYA)
April 5, 2026: LEMON Manuals is launched! Read the announcement.

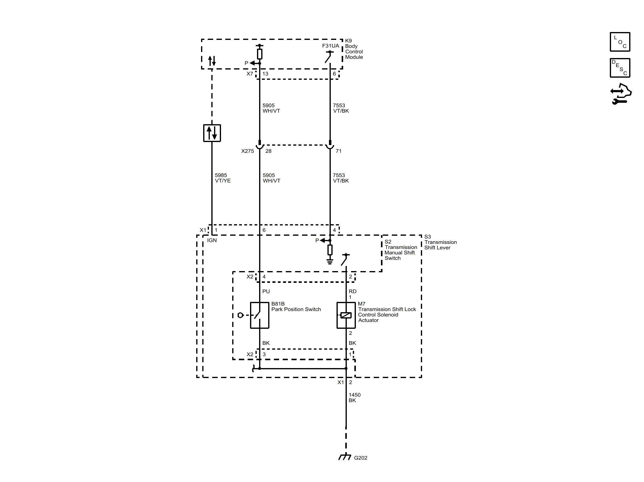
Shift Lock Control (MYA)

Fig 1: Shift Lock Control (MYA)
GM3687991Courtesy of GENERAL MOTORS COMPANY